Grundfos 99915680 - CRN 1S-21 A-FGJ-A-E-HQQE | Multistage | Centrifugal | Vertical | Inline

Save $2,355.71
GRUNDFOSSKU: 99915680

Price:
Sale price$3,148.29 Regular price$5,504.00
Delivery date to be confirmed on Sales Order
or Call for most up to date lead times. (781) 281-8905

Description

CRN 1S-21 A-FGJ-A-E-HQQE Vertical, multistage centrifugal pump with inlet and outlet ports on same the level (inline). Pump materials in contact with the liquid are in high-grade stainless steel. Power transmission is via a rigid split coupling. Pipe connection is via combined DIN-ANSI-JIS flanges. The pump is fitted with a 3-phase, fan-cooled asynchronous motor.

EAN 5715114103596
Applications Industrial applications
Approvals CURUS
Approvals for drinking water NSF/ANSI 61
Bearing 1 SIC
Built-in motor protection NONE
Code for rubber E
Code for shaft seal HQQE
Connect code FGJ
Connection DIN / ANSI / JIS
Connection 2 DN 25/32
Connection 3 DN 25/32
Connection 4 PN 25
Cooling IC 411
Curve tolerance ISO9906:2012 3B
Density 62.29 lb/ft³
Enclosure class (IEC 34-5) IP55
Eta 1/1 0.84
Flange rating inlet 300 lb
Flange size for motor 56C
Frequency 60 HZ
Frequency converter NONE
Full load SF current 4.3/2.15 A
Gross weight 106.0 lb
IE Eff. Class IE3 / NEMA Premium
IE efficiency IE3 84%
IE Efficiency class IE3 / NEMA Premium
Impeller Stainless steel
Impellers 21
Insulation F
Insulation class (IEC 85) F
Liquid max temp 120°C
Liquid temperature range -4 .. 248 °F
Low NPSH N
Material code A
Material Pricing Group 6
Max pressure at stated temp 363 psi / 250 °F
Maximum ambient temperature 104 °F
Maximum head 588.9 ft
Maximum operating pressure 362.59 psi
Maximum permissible operating pressure 25bar
Model A
Motor 56C
Motor efficiency at 1/2 load 0.8
Motor efficiency at 3/4 load 0.825
Motor efficiency at full load 1 0.84
Motor protec NONE
Motor standard NEMA
Motor type WEG
n rpm 3520rpm
Net weight 91.1 lb
Number of poles 2
Number of reduced-diameter impellers 0
P2 HP 1.5 HP
P2 kW 1.1kW
Phase 3
Power (P2) required by pump 1.5 HP
Power factor 1 0.88
Pressure rating PN 25
Pressure rating for connection PN 25
Product family CRN 1-S
Pump 1.5 HP
Pump housing Stainless steel
Pump inlet DN 25/32
Pump outlet DN 25/32
Pump version A
Pumped liquid Water
Rated current 3.74/1.87 A
Rated flow 4.84 US gpm
Rated flow 2 4.84 US gpm
Rated head 393.7 ft
Rated head 2 393.7 ft
Rated power - P2 1.5 HP
Rated speed 3520 rpm
Rated voltage 3 x 230/460 V
Real Time Delivery date to be confirmed on Sales Order Update with real time availability and Net price
Rubber E
Selected liquid temperature 68 °F
Service factor 1.15
Shaft seal HQQE
Size of inlet connection DN 25/32
Size of outlet connection DN 25/32
Stages 21
Standard NEMA
Starting current 9.1
Type WEG
Type of connection DIN / ANSI / JIS
Version A

Motor Curves

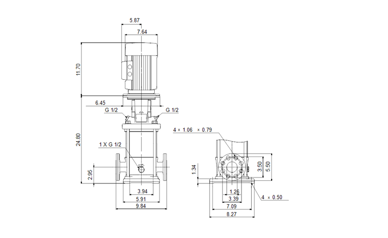
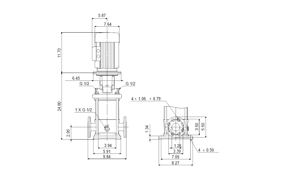
Dimensional Drawing

DWiring Diagram

Recently viewed

Similar Products