Description
Grundfos 97733327 - CRN 1S-2 H-GA-A-V-HQQV Vertical Multistage Centrifugal Pump
The Grundfos 97733327 - CRN 1S-2 H-GA-A-V-HQQV is a high-performance vertical multistage centrifugal pump designed for a variety of industrial applications. Manufactured by Grundfos, a leader in pump technology, this model ensures reliable operation and efficiency in demanding environments.
This centrifugal pump is ideal for boosting pressure, transferring liquids, and various other applications where consistent performance is crucial. With its robust construction and advanced design, the CRN series is built to handle a wide range of fluids, making it a versatile choice for your pumping needs.
At Pump-Stop, we are your preferred source for replacement pumps and parts. If you have questions or need assistance in finding the right pump for your application, please don't hesitate to reach out to our knowledgeable team at (781) 281-8905.
Before purchasing, we recommend checking your current pump for the exact part number or SKU that matches the Grundfos 97733327. If you encounter any difficulties in locating the right item, our team is here to help you find the perfect solution.
Motor Curves
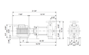
Dimensional Drawing
DWiring Diagram
OPTIMIZED INDUSTRIAL SOLUTIONS (Product brochure)
CR-H, CRN-H (Installation and operating instructions)
CR-H, CRN-H (Installation and operating instructions)
CRN-H MAGdrive for Refrigerants (Installation and operating instructions)
CR-H, CRN-H, CRE-H, CRNE-H (Data booklet)
CR3-H (Industrial Service Manual)
CR5-H (Industrial Service Manual)
CRN1s-H (Industrial Service Manual)
Recently viewed
Similar Products
You'll Also Love...


















































































