Description
Grundfos 97734006 - CRN 15-2 H-GA-A-E-HQQE is a high-performance vertical multistage centrifugal pump designed for a variety of industrial applications. Manufactured by the renowned vendor Grundfos, this pump is engineered for efficiency and reliability, making it an ideal choice for boosting pressure in water supply systems and other demanding environments.
This model features a robust construction and advanced design, ensuring optimal performance in both single and multi-stage configurations. The CRN series is particularly noted for its versatility, allowing it to be used in various setups, including horizontal and vertical installations. Please note that this model does not include models 95 through 255.
At Pump-Stop.com, we pride ourselves on being the preferred source for replacement pumps and parts. If you have questions or need assistance in finding the right pump for your application, feel free to call our team at (781) 281-8905. We recommend checking your current pump for the exact part number or SKU that matches to ensure compatibility.
Explore our extensive range of Grundfos centrifugal pumps, including booster pumps, end suction pumps, and horizontal multistage options. Trust Pump-Stop for all your pumping needs!
Motor Curves
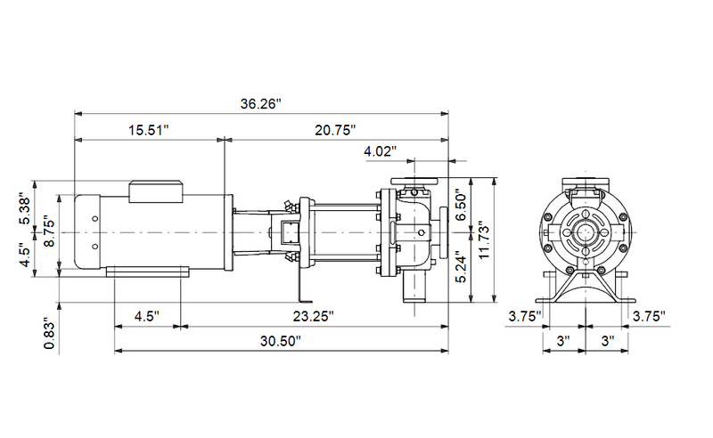
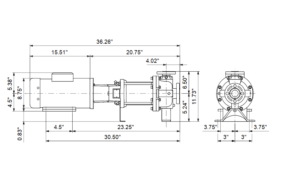
Dimensional Drawing
DWiring Diagram
OPTIMIZED INDUSTRIAL SOLUTIONS (Product brochure)
CR-H, CRN-H (Installation and operating instructions)
CR-H, CRN-H (Installation and operating instructions)
CRN-H MAGdrive for Refrigerants (Installation and operating instructions)
CR-H, CRN-H, CRE-H, CRNE-H (Data booklet)
CR3-H (Industrial Service Manual)
CR5-H (Industrial Service Manual)
CRN1s-H (Industrial Service Manual)
Recently viewed
Similar Products
You'll Also Love...


















































































