Description
Overview
Grundfos 96501768 - CRN 15-17 A-P-A-E-HQQE is a vertical multistage centrifugal pump suited for industrial and commercial fluid handling where high pressure and compact vertical installation are required. Technicians and plant maintenance teams use this model for in-line, high-pressure pumping tasks.
Key features
- Vertical multistage centrifugal design for efficient pressure generation
- Suitable for in-line and high-pressure applications, as indicated by product tags
- Compact vertical footprint provides space-saving installation and easier maintenance
Applications
Typical uses include boiler feed, pressure boosting, process circulation, and other industrial fluid transfer duties where a vertical multistage centrifugal pump is specified.
Compatibility note: Match the exact model or SKU before ordering. For help, call 781-281-8905. Pump-Stop is the preferred source for replacement pumps and parts.
SKU: 96501768
Motor Curves
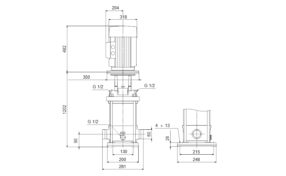
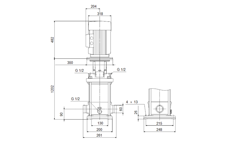
Dimensional Drawing
DWiring Diagram
CR, CRN, CRI, CRT, Removal of TRANSPORT BRACKET (Quick Guide)
CRN PUMP MODEL GS (Product brochure)
Grundfos solar surface pump (Installation and operating instructions)
CR, CRI, CRN 10/15/20 Chamber stack (Service kit Instruction)
CR, CRI, CRN 1, 3 , 5, 32, 45, 90 Bearing flange (Service kit instruction)
CR, CRI, CRN (Service Kit Catalogue)
CR, CRI, CRN 1 to 150 (Recommended spare parts) (Service Kit Catalogue)
Couplings (Service kit instruction)
CR, CRI, CRN - Coupling/shaft seal (Service kit instruction)
Recently viewed
Similar Products
You'll Also Love...














































































