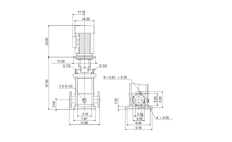
Description
CRN 15-12 A-FGJ-A-E-HQQE Vertical, multistage centrifugal pump with inlet and outlet ports on same the level (inline). Pump materials in contact with the liquid are in high-grade stainless steel. A cartridge shaft seal ensures high reliability, safe handling, and easy access and service. Power transmission is via a rigid split coupling. Pipe connection is via combined DIN-ANSI-JIS flanges. The pump is fitted with a 3-phase, fan-cooled asynchronous motor.
        EAN
        5715114124591
      
    
    
    
    
    
    
    
    
    
    
    
    
    
      
        Applications
        Industrial applications
      
    
    
    
    
      
        
          
            Actual impeller diameter
            
              4.13 in
            
          
        
      
    
      
    
      
        
          
            Approvals
            
              CURUS
            
          
        
      
    
      
        
          
            Approvals for drinking water
            
              NSF/ANSI 61
            
          
        
      
    
      
        
          
            Bearing 1
            
              SIC
            
          
        
      
    
      
        
          
            Built-in motor protection
            
              NONE
            
          
        
      
    
      
        
          
            Code for rubber
            
              E
            
          
        
      
    
      
        
          
            Code for shaft seal
            
              HQQE
            
          
        
      
    
      
        
          
            Connect code
            
              FGJ
            
          
        
      
    
      
        
          
            Connection
            
              DIN / ANSI / JIS
            
          
        
      
    
      
        
          
            Connection 2
            
              DN 50
            
          
        
      
    
      
        
          
            Connection 3
            
              DN 50
            
          
        
      
    
      
        
          
            Connection 4
            
              PN 25
            
          
        
      
    
      
        
          
            Cooling
            
              IC 411
            
          
        
      
    
      
        
          
            Curve tolerance
            
              ISO9906:2012 3B
            
          
        
      
    
      
        
          
            Density
            
              62.29 lb/ft³
            
          
        
      
    
      
        
          
            Diameter
            
              4.13 in
            
          
        
      
    
      
    
      
    
      
        
          
            DOE Pump Energy Index CL
            
              0.91
            
          
        
      
    
      
    
      
        
          
            Enclosure class (IEC 34-5)
            
              IP55
            
          
        
      
    
      
        
          
            Eta 1/1
            
              0.917
            
          
        
      
    
      
        
          
            Flange rating inlet
            
              300 lb
            
          
        
      
    
      
        
          
            Flange size for motor
            
              284TC
            
          
        
      
    
      
        
          
            Frequency
            
              60 HZ
            
          
        
      
    
      
        
          
            Frequency converter
            
              NONE
            
          
        
      
    
      
        
          
            Full load SF current
            
              72/36 A
            
          
        
      
    
      
        
          
            Gross weight
            
              
              
              
              655.0 lb
            
          
        
      
    
      
        
          
            IE Eff. Class
            
              IE3 / NEMA Premium
            
          
        
      
    
      
        
          
            IE efficiency
            
              IE3 91,7%
            
          
        
      
    
      
        
          
            IE Efficiency class
            
              IE3 / NEMA Premium
            
          
        
      
    
      
        
          
            Impeller
            
              Stainless steel
            
          
        
      
    
      
        
          
            Impellers
            
              12
            
          
        
      
    
      
        
          
            Insulation
            
              F
            
          
        
      
    
      
        
          
            Insulation class (IEC 85)
            
              F
            
          
        
      
    
      
    
      
        
          
            Liquid max temp
            
              120°C
            
          
        
      
    
      
        
          
            Liquid temperature range
            
              -4 .. 248 °F
            
          
        
      
    
      
        
          
            Low NPSH
            
              N
            
          
        
      
    
      
        
          
            Material code
            
              A
            
          
        
      
    
      
        
          
            Material Pricing Group
            
              6
            
          
        
      
    
      
        
          
            Max pressure at stated temp
            
              363 psi / 250 °F
            
          
        
      
    
      
        
          
            Maximum ambient temperature
            
              104 °F
            
          
        
      
    
      
        
          
            Maximum head
            
              800.6 ft
            
          
        
      
    
      
        
          
            Maximum operating pressure
            
              362.59 psi
            
          
        
      
    
      
        
          
            Maximum permissible operating pressure
            
              25bar
            
          
        
      
    
      
        
          
            Model
            
              A
            
          
        
      
    
      
        
          
            Motor
            
              284TC
            
          
        
      
    
      
        
          
            Motor efficiency at 1/2 load
            
              0.91
            
          
        
      
    
      
        
          
            Motor efficiency at 3/4 load
            
              0.917
            
          
        
      
    
      
        
          
            Motor efficiency at full load 1
            
              0.917
            
          
        
      
    
      
        
          
            Motor protec
            
              NONE
            
          
        
      
    
      
        
          
            Motor standard
            
              NEMA
            
          
        
      
    
      
        
          
            Motor type
            
              WEG
            
          
        
      
    
      
        
          
            n rpm
            
              3545rpm
            
          
        
      
    
      
        
          
            Net weight
            
              
              
              
              525.0 lb
            
          
        
      
    
      
        
          
            Number of poles
            
              2
            
          
        
      
    
      
        
          
            Number of reduced-diameter impellers
            
              0
            
          
        
      
    
      
        
          
            P2 HP
            
              25 HP
            
          
        
      
    
      
        
          
            P2 kW
            
              18.5kW
            
          
        
      
    
      
        
          
            Phase
            
              3
            
          
        
      
    
      
        
          
            Power (P2) required by pump
            
              25 HP
            
          
        
      
    
      
        
          
            Power factor 1
            
              0.88
            
          
        
      
    
      
        
          
            Pressure rating
            
              PN 25
            
          
        
      
    
      
        
          
            Pressure rating for connection
            
              PN 25
            
          
        
      
    
      
        
          
            Product family
            
              CRN 15
            
          
        
      
    
      
        
          
            Pump
            
              25 HP
            
          
        
      
    
      
        
          
            Pump housing
            
              Stainless steel
            
          
        
      
    
      
        
          
            Pump inlet
            
              DN 50
            
          
        
      
    
      
        
          
            Pump outlet
            
              DN 50
            
          
        
      
    
      
        
          
            Pump version
            
              A
            
          
        
      
    
      
        
          
            Pumped liquid
            
              Water
            
          
        
      
    
      
        
          
            Rated current
            
              57.6/28.8 A
            
          
        
      
    
      
        
          
            Rated flow
            
              90.3 US gpm
            
          
        
      
    
      
        
          
            Rated flow 2
            
              90.3 US gpm
            
          
        
      
    
      
        
          
            Rated head
            
              644.4 ft
            
          
        
      
    
      
        
          
            Rated head 2
            
              644.4 ft
            
          
        
      
    
      
        
          
            Rated power - P2
            
              25 HP
            
          
        
      
    
      
        
          
            Rated speed
            
              3545 rpm
            
          
        
      
    
      
        
          
            Rated voltage
            
              3 x 230/460 V
            
          
        
      
    
      
        
          
            Real Time
            
              1 Available on 10/6/2023 Plant: Allentown Update with real time availability and Net price
            
          
        
      
    
      
        
          
            Rubber
            
              E
            
          
        
      
    
      
        
          
            Selected liquid temperature
            
              68 °F
            
          
        
      
    
      
        
          
            Service factor
            
              1.25
            
          
        
      
    
      
        
          
            Shaft seal
            
              HQQE
            
          
        
      
    
      
        
          
            Size of inlet connection
            
              DN 50
            
          
        
      
    
      
        
          
            Size of outlet connection
            
              DN 50
            
          
        
      
    
      
        
          
            Stages
            
              12
            
          
        
      
    
      
        
          
            Standard
            
              NEMA
            
          
        
      
    
      
        
          
            Starting current
            
              6.3
            
          
        
      
    
      
        
          
            Type
            
              WEG
            
          
        
      
    
      
        
          
            Type of connection
            
              DIN / ANSI / JIS
            
          
        
      
    
      
        
          
            Version
            
              A
            
          
        
      
    
      
    
    
    
    
      
    
      
    
  Motor Curves
Dimensional Drawing
DWiring Diagram
Recently viewed
Similar Products
You'll Also Love...
Save $4,969.10

 
      GRUNDFOS
Grundfos 10731952 - BM 3A-52N NBR | Booster Module | Multistage | Inline
        
                Sale price$9,645.90
              
                Regular price$14,615.00
         
Save $82,454.00

 
      GRUNDFOS
Grundfos 19933613 - BM 95-13R NBR | Submersible | Booster | High Pressure
        
                Sale price$123,681.00
              
                Regular price$206,135.00
         
Save $74,772.80

 
      GRUNDFOS
Grundfos 19933611 - BM 95-11R NBR | Submersible | Booster | High Pressure
        
                Sale price$112,159.20
              
                Regular price$186,932.00
         
Save $950.00
 
      Baldor
Baldor CL3608TM - 5 HP, 3450RPM, 1 Phase, 60HZ, 184TC, 3640LC, TEFC 60HZ Single Phase Single Phase 5 HP
        
                Sale price$1,675.00
              
                Regular price$2,625.00
         
Save $421.60
 
      Baldor
Baldor CDP3310 - .25 HP, 1750RPM, DC, 56C, 3320P, Tenv, F1 25 HP 56°C
        
                Sale price$757.40
              
                Regular price$1,179.00
         
Save $244.25
 
      Baldor
Baldor LPL50 - .5 HP, 3450RPM, 1 Phase, 60HZ, 3520S, Dental Lathe 60HZ Single Phase 5 HP
        
                Sale price$732.75
              
                Regular price$977.00
         
Save $950.00
 
      Baldor
Baldor CL3608TM - 5 HP, 3450RPM, 1 Phase, 60HZ, 184TC, 3640LC, TEFC 60HZ Single Phase Single Phase 5 HP
        
                Sale price$1,675.00
              
                Regular price$2,625.00
         
Save $421.60
 
      Baldor
Baldor CDP3310 - .25 HP, 1750RPM, DC, 56C, 3320P, Tenv, F1 25 HP 56°C
        
                Sale price$757.40
              
                Regular price$1,179.00
         
Save $424.60
 
      Barmesa
Barmesa SRCH-3 Slide Rail Coupling 3.0" X 3.0" Stainless Steel Cast Iron
        
                Sale price$1,698.40
              
                Regular price$2,123.00
         
Save $228.60
 
      Barmesa
Barmesa SRCH-2 Slide Rail Coupling 2.0" X 2.0" Stainless Steel Cast Iron
        
                Sale price$914.40
              
                Regular price$1,143.00
         
Save $252.80
 
      Barmesa
Barmesa SRC6-FA Slide Rail Adapter | Stainless Steel
        
                Sale price$1,011.20
              
                Regular price$1,264.00
         
 
      WorldWide Electric
Worldwide, 4 Lead, Single-Phase, 4 Pole, 60HZ, 1800 RPM, BBD7204
        
              Sale price$5,395.16
         
 
      WorldWide Electric
Worldwide, 4 Lead, Single-Phase, 4 Pole, 60HZ, 1800 RPM, BBD6204
        
              Sale price$4,977.51
         
 
      WorldWide Electric
Worldwide, 4 Lead, Single-Phase, 4 Pole, 60HZ, 1800 RPM, BBD5204
        
              Sale price$4,551.36
         
Save $1,954.54

 
      GRUNDFOS
Grundfos 99329815 - CME 10-1 A-S-G-E-AQQE U-A-A-N | Multistage | Centrifugal | Horizontal
        
                Sale price$2,294.46
              
                Regular price$4,249.00
         
Save $850.08

 
      GRUNDFOS
Grundfos 98125766 - CM 1-6 A-S-I-E-AQQE B-A-A-N | Multistage | Centrifugal | Horizontal
        
                Sale price$997.92
              
                Regular price$1,848.00
         
Save $756.24

 
      GRUNDFOS
Grundfos 97568342 - CM 3-2 A-S-G-E-AQQE E-A-A-N | Multistage | Centrifugal | Horizontal
        
                Sale price$887.76
              
                Regular price$1,644.00
         
Save $2,305.50
 
      Baldor
Baldor SSBSM80C-475CA - 30 Lb. In. , Stainless Steel Bsm Servo Motor Stainless Steel
        
                Sale price$6,916.50
              
                Regular price$9,222.00
         
Save $524.86

 
      GRUNDFOS
Grundfos 99883241 - WEG 56C | Motor | TEFC | Energy Efficient
        
                Sale price$616.14
              
                Regular price$1,141.00
         
Save $3,092.52
 
      GRUNDFOS
Grundfos 99887777 - WEG 254/6TC 3x575 2P 20HP W6 ODP | Motor | TEFC | Energy Efficient
        
                Sale price$1,118.48
              
                Regular price$4,211.00
         
Save $26.27
 
      GRUNDFOS
Grundfos 96742103 - Gasket Package #2 for Basin Cover 8 Bolt
        
                Sale price$38.73
              
                Regular price$65.00
         
Save $1,954.54

 
      GRUNDFOS
Grundfos 99329815 - CME 10-1 A-S-G-E-AQQE U-A-A-N | Multistage | Centrifugal | Horizontal
        
                Sale price$2,294.46
              
                Regular price$4,249.00
         
Save $756.24

 
      GRUNDFOS
Grundfos 97568342 - CM 3-2 A-S-G-E-AQQE E-A-A-N | Multistage | Centrifugal | Horizontal
        
                Sale price$887.76
              
                Regular price$1,644.00
         
Save $850.08

 
      GRUNDFOS
Grundfos 98125766 - CM 1-6 A-S-I-E-AQQE B-A-A-N | Multistage | Centrifugal | Horizontal
        
                Sale price$997.92
              
                Regular price$1,848.00
         
Save $3,801.07

 
      GRUNDFOS
Grundfos 99968295 - CR 10-9 K-GJ-A-E-HQQE | Multistage | Centrifugal | Vertical | Inline
        
                Sale price$5,079.93
              
                Regular price$8,881.00
         
Save $3,549.40

 
      GRUNDFOS
Grundfos 99968294 - CR 10-8 K-GJ-A-E-HQQE | Vertical | Multistage | Centrifugal
        
                Sale price$4,743.60
              
                Regular price$8,293.00
         
Save $2,110.90

 
      GRUNDFOS
Grundfos 99968265 - CR 3-15 K-FGJ-A-E-HQQE | Vertical | Multistage | Centrifugal
        
                Sale price$2,821.10
              
                Regular price$4,932.00
         
Save $1,094.82
 
      GRUNDFOS
Grundfos 96416225 - Kit | Chamber Stack CR 45-2-1 | Vertical | Multistage | Centrifugal
        
                Sale price$2,043.18
              
                Regular price$3,138.00
         
Save $4,246.65
 
      GRUNDFOS
Grundfos 96416231 - Kit | Chamber Stack CR 45-5-1 | Vertical | Multistage | Centrifugal
        
                Sale price$2,211.35
              
                Regular price$6,458.00
         
Save $3,398.60
 
      GRUNDFOS
Grundfos 96416242 - Kit | Chamber Stack CRN 45-2-1 | Vertical | Multistage | Centrifugal
        
                Sale price$2,259.40
              
                Regular price$5,658.00
         
Save $1,688.16

 
      GRUNDFOS
Grundfos 96839796 - CR 1-19 A-FGJ-A-E-HQQE | Multistage | Centrifugal | Vertical | Inline
        
                Sale price$1,828.84
              
                Regular price$3,517.00
         
Save $1,214.40

 
      GRUNDFOS
Grundfos 99915837 - CR 1-6 A-FGJ-A-E-HQQE | Multistage | Centrifugal | Vertical | Inline
        
                Sale price$1,315.60
              
                Regular price$2,530.00
         
Save $1,619.55

 
      GRUNDFOS
Grundfos 99916321 - CR 3-12 A-B-A-E-HQQE | Multistage | Centrifugal | Vertical | Inline
        
                Sale price$2,164.45
              
                Regular price$3,784.00
         
Save $5,049.12

 
      GRUNDFOS
Grundfos 99076226 - CRE 15-4 N-GJ-A-E-HQQE | Multistage | Centrifugal | Vertical | Inline
        
                Sale price$5,469.88
              
                Regular price$10,519.00
         
Save $3,626.40

 
      GRUNDFOS
Grundfos 99392005 - CRE 10-4 N-BN-A-E-HQQE | Multistage | Centrifugal | Vertical | Inline
        
                Sale price$3,928.60
              
                Regular price$7,555.00
         
Save $10,954.40
 
      GRUNDFOS
Grundfos 99961196 - WEG 324/6TSC 3x230/460 2P 50HP W6 TE HYB | Motor | TEFC | Energy Efficient
        
                Sale price$4,395.60
              
                Regular price$15,350.00
         
Save $5,924.96
 
      GRUNDFOS
Grundfos 99971471 - CR95-1-1 X-G-A-V-HQQV 230D/460Y 60 HZ | Vertical | Multistage | Centrifugal
        
                Sale price$3,791.04
              
                Regular price$9,716.00
         
Save $9,342.98
 
      GRUNDFOS
Grundfos 99972073 - CRN95-1-1 X-G-A-V-HQQV 230D/460Y 60 HZ | Vertical | Multistage | Centrifugal
        
                Sale price$4,222.02
              
                Regular price$13,565.00
         
Save $4,070.00
 
      GRUNDFOS
Grundfos 97775161 - Sine Wave 525-690 13A 130B2341
        
                Sale price$4,070.00
              
                Regular price$8,140.00
         
Save $7,507.00
 
      GRUNDFOS
Grundfos 97775162 - Sine Wave 525-690 28A 130B2342
        
                Sale price$7,507.00
              
                Regular price$15,014.00
         
Save $11,212.50
 
      GRUNDFOS
Grundfos 97775163 - Sine Wave 525-690 45A 130B2343
        
                Sale price$11,212.50
              
                Regular price$22,425.00
         
Save $14.80
 
      GRUNDFOS
Grundfos 98529570 - Kit | Connector Plug MAGNA1 M/L | Circulator | Energy Efficient | Variable Speed
        
                Sale price$59.20
              
                Regular price$74.00
         
Save $1,954.54

 
      GRUNDFOS
Grundfos 99329815 - CME 10-1 A-S-G-E-AQQE U-A-A-N | Multistage | Centrifugal | Horizontal
        
                Sale price$2,294.46
              
                Regular price$4,249.00
         
Save $850.08

 
      GRUNDFOS
Grundfos 98125766 - CM 1-6 A-S-I-E-AQQE B-A-A-N | Multistage | Centrifugal | Horizontal
        
                Sale price$997.92
              
                Regular price$1,848.00
         
Save $756.24

 
      GRUNDFOS
Grundfos 97568342 - CM 3-2 A-S-G-E-AQQE E-A-A-N | Multistage | Centrifugal | Horizontal
        
                Sale price$887.76
              
                Regular price$1,644.00
         
Save $76.40
 
      GRUNDFOS
Grundfos 99591437 - Spare LCP display for CUE | Submersible | Borehole | Vertical | High Head
        
                Sale price$305.60
              
                Regular price$382.00
         
Save $63.75
 
      GRUNDFOS
Grundfos 99381158 - Alarm, Spartan 1x120 | Submersible | Borehole | Vertical | High Head
        
                Sale price$361.25
              
                Regular price$425.00
         
Save $190.95
 
      GRUNDFOS
Grundfos 99381162 - Panel | Spartan Sim 1x120, 13 | Submersible | Borehole | Vertical | High Head
        
                Sale price$1,082.05
              
                Regular price$1,273.00
         
Save $951.75
 
      Baldor
Baldor VP3588-14 - 2 HP 3000RPM TEFC D90C Motor 2 HP
        
                Sale price$2,855.25
              
                Regular price$3,807.00
         
Save $373.75
 
      Baldor
Baldor VP3439-14 - .75HP/.56KWITH 3000RPM/TEFC/D80C Motor 75 HP
        
                Sale price$1,121.25
              
                Regular price$1,495.00
         
Save $458.50
 
      Baldor
Baldor VP3468-14 - 1.5HP/1.1KWITH 3000RPM/TEFC 34-6243Z178 1.5 HP
        
                Sale price$1,375.50
              
                Regular price$1,834.00
         
Save $6,162.92
 
      GRUNDFOS
Grundfos 99287378 - DDE 200-4 B-PV/E/C-F-32A7A7BG | Dosing Pump | Economical | Digital
        
                Sale price$234.08
              
                Regular price$6,397.00
         
Save $4,032.28
 
      GRUNDFOS
Grundfos 99291837 - DDE 60-10 B-PVC/E/C-F-32A7A7BG | Dosing Pump | Economical | Digital
        
                Sale price$443.72
              
                Regular price$4,476.00
         
Save $5,956.86
 
      GRUNDFOS
Grundfos 99589882 - DME 940-4 AR-SS/T/SS-S-31A4A4B | Dosing Pump | Stepper Motor | High Accuracy
        
                Sale price$9,317.14
              
                Regular price$15,274.00
         
Save $5,906.16
 
      GRUNDFOS
Grundfos 98158535 - DME 940-4 AR-SS/T/SS-F-31A4A4B | Dosing Pump | Stepper Motor | High Accuracy
        
                Sale price$9,237.84
              
                Regular price$15,144.00
         
Save $4,968.21
 
      GRUNDFOS
Grundfos 98372478 - DME 375-10 AR-SS/T/SS-F-31A4A4B | Dosing Pump | Stepper Motor | High Accuracy
        
                Sale price$7,770.79
              
                Regular price$12,739.00
         
Save $248.27
 
      GRUNDFOS
Grundfos 99855113 - DMH 270-10 B-SS/V/SS-X-F1A3A3XAG | Dosing Pump | High Precision | Chemical Use
        
                Sale price$8,740.73
              
                Regular price$8,989.00
         
Save $1,767.64
 
      GRUNDFOS
Grundfos 99893036 - DMH 13-10 B-PVC/V/C-X-F1A9A9XAG | Dosing Pump | High Precision | Chemical Use
        
                Sale price$1,295.36
              
                Regular price$3,063.00
         
Save $3,208.32
 
      GRUNDFOS
Grundfos 99954733 - DMH 13-10 B-PVC/T/T-X-F1A9A9XAG | Dosing Pump | High Precision | Chemical Use
        
                Sale price$361.68
              
                Regular price$3,570.00
         
Save $597.50
 
      Baldor
Baldor VJPFPM3313T - 10//7.5 HP, 1760//1460RPM, 3 Phase, 60//50HZ, 215 50HZ Three Phase 7.5 HP
        
                Sale price$1,792.50
              
                Regular price$2,390.00
         
Save $4,457.75
 
      Baldor
Baldor VJPFPM2559T-4 - 76M 4P Opsb Ver 405TCZ Dripcover 76 M Cable
        
                Sale price$13,373.25
              
                Regular price$17,831.00
         
Save $3,800.25
 
      Baldor
Baldor VJPFPM2555T - 62M 4P Opsb Ver 404TCZ Dripcover 62 M Cable
        
                Sale price$11,400.75
              
                Regular price$15,201.00
         
Save $298.25
 
      Baldor
Baldor LPL75 - .75 HP, 3600RPM, 1 Phase, 60HZ, 3524C, Dental Lath 60HZ Single Phase 75 HP 3524°C
        
                Sale price$894.75
              
                Regular price$1,193.00
         
Save $14.80
 
      GRUNDFOS
Grundfos 98529570 - Kit | Connector Plug MAGNA1 M/L | Circulator | Energy Efficient | Variable Speed
        
                Sale price$59.20
              
                Regular price$74.00
         
Save $56.19
 
      GRUNDFOS
Grundfos 96806135 - Flange Kit GF15/26 x 3/4" Sweat Vlv DiE
        
                Sale price$71.81
              
                Regular price$128.00
         
Save $216.40
 
      GRUNDFOS
Grundfos 97751575 - Kit | Valve & Diaph | Digital Input | Alarm | Monitoring
        
                Sale price$865.60
              
                Regular price$1,082.00
         
Save $53.80
 
      GRUNDFOS
Grundfos 99580611 - Kit | Venting Valve SD-XL, PVDF/V/C
        
                Sale price$215.20
              
                Regular price$269.00
         
Save $112.00
 
      GRUNDFOS
Grundfos 97751533 - Kit | Valve & Diaph DDA/C/E 6 TO 9 | Dosing Pump | Digital | High Accuracy
        
                Sale price$448.00
              
                Regular price$560.00
         
Save $76.40
 
      GRUNDFOS
Grundfos 99591437 - Spare LCP display for CUE | Submersible | Borehole | Vertical | High Head
        
                Sale price$305.60
              
                Regular price$382.00
         
Save $216.40
 
      GRUNDFOS
Grundfos 97751575 - Kit | Valve & Diaph | Digital Input | Alarm | Monitoring
        
                Sale price$865.60
              
                Regular price$1,082.00
         
Save $53.80
 
      GRUNDFOS
Grundfos 99580611 - Kit | Venting Valve SD-XL, PVDF/V/C
        
                Sale price$215.20
              
                Regular price$269.00
         
Save $112.00
 
      GRUNDFOS
Grundfos 97751533 - Kit | Valve & Diaph DDA/C/E 6 TO 9 | Dosing Pump | Digital | High Accuracy
        
                Sale price$448.00
              
                Regular price$560.00
         
Save $6,037.96

 
      GRUNDFOS
Grundfos 99887831 - WEG 284TSC | Motor | TEFC | Energy Efficient
        
                Sale price$7,088.04
              
                Regular price$13,126.00
         
Save $1,954.54

 
      GRUNDFOS
Grundfos 99329815 - CME 10-1 A-S-G-E-AQQE U-A-A-N | Multistage | Centrifugal | Horizontal
        
                Sale price$2,294.46
              
                Regular price$4,249.00
         
Save $850.08

 
      GRUNDFOS
Grundfos 98125766 - CM 1-6 A-S-I-E-AQQE B-A-A-N | Multistage | Centrifugal | Horizontal
        
                Sale price$997.92
              
                Regular price$1,848.00
         
Save $756.24

 
      GRUNDFOS
Grundfos 97568342 - CM 3-2 A-S-G-E-AQQE E-A-A-N | Multistage | Centrifugal | Horizontal
        
                Sale price$887.76
              
                Regular price$1,644.00
         
Save $193.00
 
      GRUNDFOS
Grundfos 91123941 - Liquid Level Switch Kit 3" MANIFOLD
        
                Sale price$772.00
              
                Regular price$965.00
         
Save $181.90
 
      GRUNDFOS
Grundfos 99613063 - Tank 6.4GAL 150# ASME DD 390602
        
                Sale price$1,637.10
              
                Regular price$1,819.00
         
Save $202.20
 
      GRUNDFOS
Grundfos 99613065 - Tank 8.6GAL 150# ASME DD 390603
        
                Sale price$1,819.80
              
                Regular price$2,022.00
         
Save $228.50
 
      GRUNDFOS
Grundfos 99613066 - Tank 16.6GAL 150# ASME DD 401681
        
                Sale price$2,056.50
              
                Regular price$2,285.00
         
Save $929.91

 
      GRUNDFOS
Grundfos 98992936 - MTC 2-6/4 A-WB-A-AQQV | Multistage | Immersible | SelfPriming | Centrifugal | Vertical Installation | Vertical
        
                Sale price$1,300.09
              
                Regular price$2,230.00
         
Save $977.86

 
      GRUNDFOS
Grundfos 98993319 - MTC 4-5/3 A-WB-A-AQQV | Multistage | Immersible | SelfPriming | Centrifugal | Vertical Installation | Vertical
        
                Sale price$1,367.14
              
                Regular price$2,345.00
         
Save $7,171.30
 
      GRUNDFOS
Grundfos 99291833 - DDA 200-4 FCM-PV/V/C-F-32A7A7BG | Horizontal | End Suction | Centrifugal
        
                Sale price$3,375.70
              
                Regular price$10,547.00
         
Save $1,192.64

 
      GRUNDFOS
Grundfos 92560410 - NBS 060-110/10.75 AASG7SAESDQQEOY6 | SelfPriming | Centrifugal | Horizontal
        
                Sale price$20,893.36
              
                Regular price$22,086.00
         
Save $1,142.21

 
      GRUNDFOS
Grundfos 92560409 - NBS 060-110/10.75 AASG7SAESDQQEOY6 | SelfPriming | Centrifugal | Horizontal
        
                Sale price$20,009.79
              
                Regular price$21,152.00
         
Save $1,123.85

 
      GRUNDFOS
Grundfos 92560406 - NBS 060-110/10.20 AASG7SAESDQQENY6 | SelfPriming | Centrifugal | Horizontal
        
                Sale price$19,688.15
              
                Regular price$20,812.00
         
Save $14,243.76
 
      GRUNDFOS
Grundfos 99961197 - WEG 364/5TSC 3x230/460 2P 60HP W6 TE CIB | Motor | TEFC | Energy Efficient
        
                Sale price$4,827.24
              
                Regular price$19,071.00
         
Save $310.96
 
      GRUNDFOS
Grundfos 91134900 - ML71AA 230/460-2 1/3HP 56C | Motor | High Efficiency
        
                Sale price$365.04
              
                Regular price$676.00
         
Save $332.12
 
      GRUNDFOS
Grundfos 91134901 - ML71AB 230/460-2 1/2HP 56C | Motor | High Efficiency
        
                Sale price$389.88
              
                Regular price$722.00
         
Save $2,760.92
 
      GRUNDFOS
Grundfos 99586675 - MGE132SF 3R430-1 7.5kW B14 IEC PGK
        
                Sale price$3,241.08
              
                Regular price$6,002.00
         
Save $2,010.66
 
      GRUNDFOS
Grundfos 99586773 - MGE112MC R430-1 4.6kW B14 IEC PGK
        
                Sale price$2,360.34
              
                Regular price$4,371.00
         
Save $2,421.90
 
      GRUNDFOS
Grundfos 99586774 - MGE132SE 3R430-1 6.0kW B14 IEC Package
        
                Sale price$2,843.10
              
                Regular price$5,265.00
         
Save $524.86

 
      GRUNDFOS
Grundfos 99883241 - WEG 56C | Motor | TEFC | Energy Efficient
        
                Sale price$616.14
              
                Regular price$1,141.00
         
Save $3,092.52
 
      GRUNDFOS
Grundfos 99887777 - WEG 254/6TC 3x575 2P 20HP W6 ODP | Motor | TEFC | Energy Efficient
        
                Sale price$1,118.48
              
                Regular price$4,211.00
         
Save $2,572.12
 
      GRUNDFOS
Grundfos 99947812 - CMBE 1-44 I-X-C-E-D-E 1x115V 60Hz RPL | Horizontal | End Suction | Centrifugal
        
                Sale price$2,046.88
              
                Regular price$4,619.00
         
Save $11,862.63
 
      GRUNDFOS
Grundfos 99852649 - Sensor |  Turbidity, Organics, Plug Type
        
                Sale price$8,809.37
              
                Regular price$20,672.00
         
Save $181.90
 
      GRUNDFOS
Grundfos 99613063 - Tank 6.4GAL 150# ASME DD 390602
        
                Sale price$1,637.10
              
                Regular price$1,819.00
         
Save $202.20
 
      GRUNDFOS
Grundfos 99613065 - Tank 8.6GAL 150# ASME DD 390603
        
                Sale price$1,819.80
              
                Regular price$2,022.00
         
Save $228.50
 
      GRUNDFOS
Grundfos 99613066 - Tank 16.6GAL 150# ASME DD 401681
        
                Sale price$2,056.50
              
                Regular price$2,285.00
         
Save $149.70

 
      GRUNDFOS
Grundfos 97748941 - RPI/--0-4.0b/1/ F/M2.00-X/EG6/--/---/SC-1 | Pump Interface | Remote Control
        
                Sale price$349.30
              
                Regular price$499.00
         
Save $56.19
 
      GRUNDFOS
Grundfos 96806135 - Flange Kit GF15/26 x 3/4" Sweat Vlv DiE
        
                Sale price$71.81
              
                Regular price$128.00
         
Save $216.40
 
      GRUNDFOS
Grundfos 97751575 - Kit | Valve & Diaph | Digital Input | Alarm | Monitoring
        
                Sale price$865.60
              
                Regular price$1,082.00
         
Save $216.40
 
      GRUNDFOS
Grundfos 97751575 - Kit | Valve & Diaph | Digital Input | Alarm | Monitoring
        
                Sale price$865.60
              
                Regular price$1,082.00
         
Save $56.19
 
      GRUNDFOS
Grundfos 96806135 - Flange Kit GF15/26 x 3/4" Sweat Vlv DiE
        
                Sale price$71.81
              
                Regular price$128.00
         
Save $56.19
 
      GRUNDFOS
Grundfos 96806135 - Flange Kit GF15/26 x 3/4" Sweat Vlv DiE
        
                Sale price$71.81
              
                Regular price$128.00
         
Save $2,086.10

 
      GRUNDFOS
Grundfos 99059799 - CM 15-3 A-S-I-E-AQQE E-A-A-N | Horizontal | End Suction | Centrifugal
        
                Sale price$2,448.90
              
                Regular price$4,535.00
         
Save $216.40
 
      GRUNDFOS
Grundfos 97751575 - Kit | Valve & Diaph | Digital Input | Alarm | Monitoring
        
                Sale price$865.60
              
                Regular price$1,082.00
         
Save $53.80
 
      GRUNDFOS
Grundfos 99580611 - Kit | Venting Valve SD-XL, PVDF/V/C
        
                Sale price$215.20
              
                Regular price$269.00
         
Save $112.00
 
      GRUNDFOS
Grundfos 97751533 - Kit | Valve & Diaph DDA/C/E 6 TO 9 | Dosing Pump | Digital | High Accuracy
        
                Sale price$448.00
              
                Regular price$560.00
         
Save $3,550.50
 
      GRUNDFOS
Grundfos 96804572 - TP100-160/2 A-G-A-RUUE 3X230/460 60HZ | Circulator | Heating | Domestic Use
        
                Sale price$4,339.50
              
                Regular price$7,890.00
         
Save $5,082.00

 
      GRUNDFOS
Grundfos 99884124 - TPE3 D 80-110 S-A-G-A-BQQE-GBB | Inline | Variable Speed | Energy Efficient
        
                Sale price$11,857.00
              
                Regular price$16,939.00
         
Save $5,214.00

 
      GRUNDFOS
Grundfos 99884119 - TPE3 80-180 S-A-G-I-BQQE-IBB | Inline | Variable Speed | Energy Efficient
        
                Sale price$12,165.00
              
                Regular price$17,379.00
         
Save $26.27
 
      GRUNDFOS
Grundfos 96742103 - Gasket Package #2 for Basin Cover 8 Bolt
        
                Sale price$38.73
              
                Regular price$65.00
         
Save $929.91

 
      GRUNDFOS
Grundfos 98992936 - MTC 2-6/4 A-WB-A-AQQV | Multistage | Immersible | SelfPriming | Centrifugal | Vertical Installation | Vertical
        
                Sale price$1,300.09
              
                Regular price$2,230.00
         
Save $977.86

 
      GRUNDFOS
Grundfos 98993319 - MTC 4-5/3 A-WB-A-AQQV | Multistage | Immersible | SelfPriming | Centrifugal | Vertical Installation | Vertical
        
                Sale price$1,367.14
              
                Regular price$2,345.00
         
Save $149.70

 
      GRUNDFOS
Grundfos 97748941 - RPI/--0-4.0b/1/ F/M2.00-X/EG6/--/---/SC-1 | Pump Interface | Remote Control
        
                Sale price$349.30
              
                Regular price$499.00
         
Save $929.91

 
      GRUNDFOS
Grundfos 98992936 - MTC 2-6/4 A-WB-A-AQQV | Multistage | Immersible | SelfPriming | Centrifugal | Vertical Installation | Vertical
        
                Sale price$1,300.09
              
                Regular price$2,230.00
         
Save $977.86

 
      GRUNDFOS
Grundfos 98993319 - MTC 4-5/3 A-WB-A-AQQV | Multistage | Immersible | SelfPriming | Centrifugal | Vertical Installation | Vertical
        
                Sale price$1,367.14
              
                Regular price$2,345.00
         
Save $2,280.80
 
      Baldor
Baldor 1453 - 7.5 HP, 3000/3600RPM, 3 Phase, 50/60HZ, 3735M 60HZ Three Phase 7.5 HP 3735 M Cable
        
                Sale price$3,421.20
              
                Regular price$5,702.00
         
Save $3,550.50
 
      GRUNDFOS
Grundfos 96804572 - TP100-160/2 A-G-A-RUUE 3X230/460 60HZ | Circulator | Heating | Domestic Use
        
                Sale price$4,339.50
              
                Regular price$7,890.00
         
Save $5,623.65

 
      GRUNDFOS
Grundfos 96411853 - TP 100-160/2 A-G-Z-BUBE-JX2 | Centrifugal
        
                Sale price$6,873.35
              
                Regular price$12,497.00
         
Save $6,059.25

 
      GRUNDFOS
Grundfos 96411852 - TP 100-160/2 A-G-Z-BUBE-JX2 | Centrifugal
        
                Sale price$7,405.75
              
                Regular price$13,465.00
         
Save $5,082.00

 
      GRUNDFOS
Grundfos 99884124 - TPE3 D 80-110 S-A-G-A-BQQE-GBB | Inline | Variable Speed | Energy Efficient
        
                Sale price$11,857.00
              
                Regular price$16,939.00
         
Save $5,214.00

 
      GRUNDFOS
Grundfos 99884119 - TPE3 80-180 S-A-G-I-BQQE-IBB | Inline | Variable Speed | Energy Efficient
        
                Sale price$12,165.00
              
                Regular price$17,379.00
         
Save $4,859.00

 
      GRUNDFOS
Grundfos 99884118 - TPE3 80-150 S-A-G-I-BQQE-HBB | Inline | Variable Speed | Energy Efficient
        
                Sale price$11,338.00
              
                Regular price$16,197.00
         

 
                        
                       
                        
                       
                        
                       
                     
                     
                     
       
       
       
       
       
       
       
       
       
      
 
      
 
       
       
       
       
       
       
       
       
       
       
       
       
       
       
       
       
       
       
       
       
       
       
       
       
       
       
       
       
       
       
       
       
       
       
       
       
       
       
       
       
       
       
       
       
       
       
       
       
       
       
       
       
       
       
       
       
       
       
       
       
       
       
       
       
       
       
       
       
       
       
       
       
       
       
       
       
       
       
       
       
       
       
      
 
      
 
      
 
       
       
       
       
       
      
 
       
       
       
       
       
       
       
       
       
       
       
       
       
       
       
       
       
       
       
       
       
      
 
       
       
      
 
      
 
      
 
      
 
      
 
      
 
      
 
       
      
 
      
 
      
 
       
       
       
       
       
       
       
       
       
       
       
       
       
       
       
       
       
       
       
       
       
       
       
       
       
       
       
       
       
       
       
       
       
       
       
       
       
       
       
       
       
       
       
       
       
       
       
       
       
       
       
       
       
       
       
       
       
       
       
       
       
       
       
       
       
       
       
       
       
       
       
       
       
       
       
       
       
       
       
       
       
       
       
       
       
       
       
       
       
       
       
       
       
      
 
       
       
       
       
       
       
       
       
       
       
       
       
       
       
       
       
       
       
       
       
       
       
       
       
       
       
       
       
       
       
       
       
       
       
       
       
       
       
       
       
       
       
       
       
       
       
       
       
       
       
       
       
       
       
       
       
       
       
       
       
       
       
       
       
       
       
       
       
       
       
       
       
       
       
       
       
       
       
       
       
       
      
 
       
      
 
      
 
       
       
      
 
       
       
       
       
       
       
       
       
       
       
       
       
       
       
       
       
       
       
       
       
       
       
       
       
       
       
       
       
       
       
       
       
       
       
       
       
       
       
       
       
       
       
       
       
       
       
       
       
       
       
       
       
       
       
       
       
       
       
       
       
       
       
       
       
       
       
       
       
       
       
       
       
       
       
       
       
       
       
       
       
       
       
       
       
       
       
       
       
       
      