Description
CRN 125-6 A-G-A-V-HQQV Vertical, multistage centrifugal pump with inlet and outlet ports on same the level (inline). Pump materials in contact with the liquid are in high-grade stainless steel. A built-in thrust-handling device absorbs hydraulic axial forces which enables the use of a standard motor. The Grundfos cartridge shaft seal ensures high reliability, safe handling, and easy access and service. Wear parts in the shaft seal are available as service kits and can be replaced without having to renew the complete shaft seal. Power transmission is via a rigid split coupling. Pipe connection is via ANSI flanges. The pump is fitted with a 3-phase, fan-cooled asynchronous motor.
Motor Curves
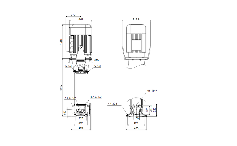
Dimensional Drawing
DWiring Diagram
The new generation of Grundfos pumps, MOVING THE LIMITS (Product brochure)
CR & CRN Quick Ship Program (Product brochure)
CR, CRN 95-255 (I & O instructions)
CR, CRI, CRN, CRT, CRE, CRIE, CRNE, CRTE (Custom-built pumps) (Data booklet)
CR, CRN 95-255, NEMA (Data booklet)
CRN3-H (Industrial Service Manual)
Recently viewed
Similar Products
You'll Also Love...










































































