Grundfos 99145181 - CRN 125-2 A-P-A-E-HQQE | Multistage | Centrifugal | Vertical | Inline

GRUNDFOSSKU: 99145181

Price:
Sale price$57,693.06
Delivery date to be confirmed on Sales Order
or Call for most up to date lead times. (781) 281-8905

Description

CRN 125-2 A-P-A-E-HQQE Vertical, multistage centrifugal pump with inlet and outlet ports on same the level (inline). Pump materials in contact with the liquid are in high-grade stainless steel. The Grundfos cartridge shaft seal ensures high reliability, safe handling, and easy access and service. Power transmission is via a rigid split coupling. Pipe connection is via PJE (Victaulic®) couplings. The pump is fitted with a 3-phase, fan-cooled asynchronous motor.

EAN 5712607592592
Applications Industrial applications
Actual impeller diameter 6.38 in
Approvals for drinking water NSF/ANSI 61
Bearing 1 WC/WC
Bearing 2 Graflon
Built-in motor protection NONE
Code for rubber E
Code for shaft seal HQQE
Connect code P
Connection 1000 psi
Cooling TEFC
Curve tolerance ISO9906:2012 3B
Density 62.29 lb/ft³
Diameter 6.38 in
DOE Pump Energy Index CL 0.93
Enclosure class (IEC 34-5) IP54
Flange size for motor 326TSC
Frequency converter NONE
Full load SF current 128/64 A
Gross weight 1230.0 lb
IE efficiency IE3 93
IE Efficiency class IE3 / NEMA Premium
Impeller Stainless steel
Impellers 2
Insulation class (IEC 85) F
Liquid temperature range -40 .. 248 °F
Low NPSH N
Mains frequency 60 Hz
Material certified according to European standards
Material code A
Material Pricing Group 6
Max pressure at stated temp 363 psi / 250 °F
Maximum ambient temperature 122 °F
Maximum head 314.6 ft
Maximum operating pressure 25 bar
Model A
Motor 326TSC
Motor efficiency at full load 1 0.936
Motor standard NEMA
Motor type BALDOR
Net weight 911.0 lb
Number of poles 2
Power (P2) required by pump 37 kW
Power factor 1 0.87
Pressure rating for connection 1000 psi
Product family CRN 125
Pump 37 kW
Pump speed on which pump data are based 3541 rpm
Pump version A
Pumped liquid Water
Rated current 112/56 A
Rated flow 660 US gpm
Rated head 239.2 ft
Rated power - P2 37 kW
Rated speed 3540 rpm
Rated voltage 3 x 230/460 V
Real Time Delivery date to be confirmed on Sales Order  Update with real time availability and Net price
Rubber E
Selected liquid temperature 68 °F
Service factor 1.15
Size of inlet connection 6 inch
Size of outlet connection 6 inch
Stages 2
Standard NEMA
Support bearing Graflon
Thrust handling device N
Type BALDOR
Type of connection PJE
Version A

Motor Curves

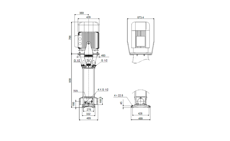
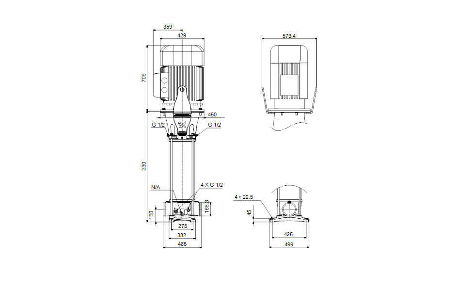
Dimensional Drawing

DWiring Diagram

Recently viewed

Similar Products