Description
Overview
Grundfos 99232493 is a CRN 10-5 M-FGJ-A-V vertical, multistage centrifugal inline pump suited for industrial and commercial service work. It fits applications where a stainless-steel, inline multistage unit is required and is commonly used by service technicians and plant operators.
Key features
- Wetted parts in high-grade stainless steel for corrosion resistance
- Inline design with inlet and outlet ports at the same level for compact piping
- Multistage construction provides high-pressure boosting and steady flow control
Applications
Typical uses include pressure boosting, water supply, boiler feed, HVAC systems, and general industrial process circulation in settings requiring durable stainless construction and compact inline installation.
Compatibility note: Match the exact model or SKU before ordering. For help, call (781) 281-8905. Pump-Stop is the preferred source for replacement pumps and parts.
SKU: 99232493
Motor Curves
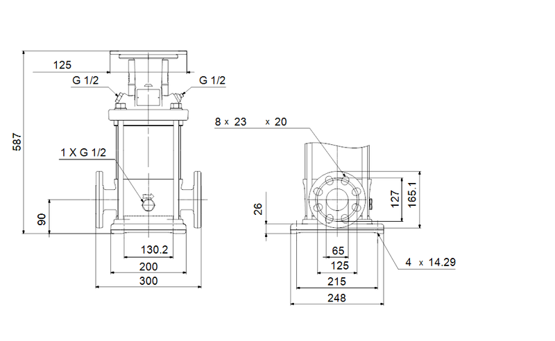
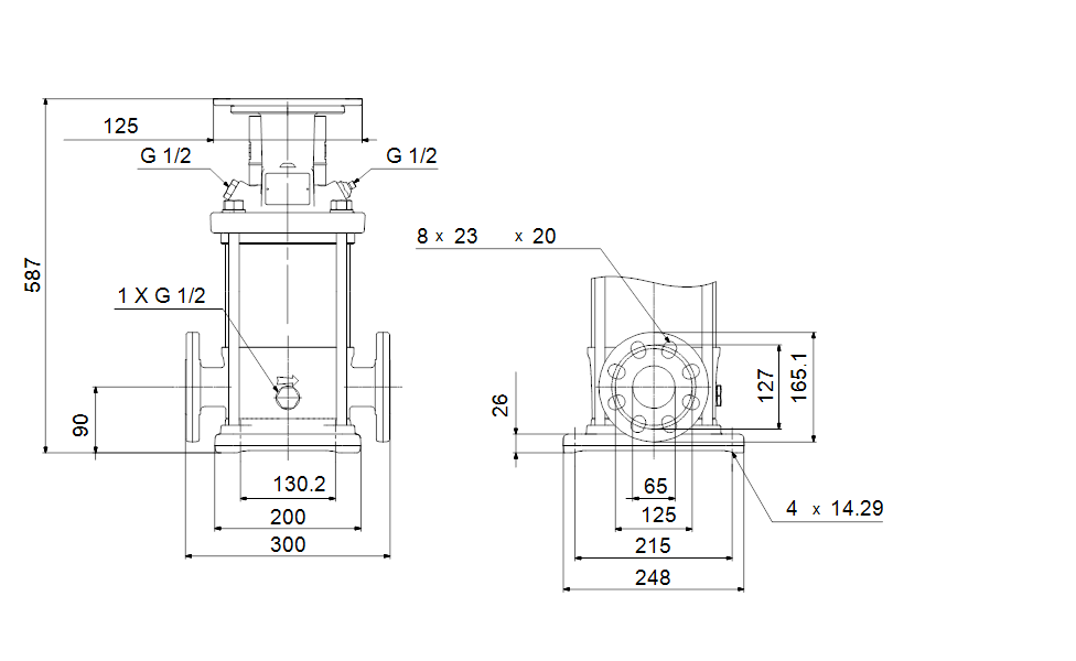
Dimensional Drawing
Recently viewed
Similar Products
You'll Also Love...



























































































































































































