Description
Grundfos 97736536 - CRN 10-5 H-G22-A-V-HQQV is a high-performance vertical multistage centrifugal pump designed for a variety of industrial applications. Manufactured by the renowned vendor Grundfos, this pump is engineered for efficiency and reliability, making it an ideal choice for boosting water pressure and transferring fluids in demanding environments.
This model features a robust construction and advanced design, ensuring optimal performance in both single and multi-stage configurations. The CRN series is particularly noted for its versatility, allowing it to be used in various settings, including commercial and industrial sectors.
At Pump-Stop.com, we pride ourselves on being the preferred source for replacement pumps and parts. If you have questions or need assistance in finding the right pump for your application, please don't hesitate to reach out to our knowledgeable team at (781) 281-8905.
Before purchasing, we recommend checking your current pump for the exact part number or SKU that matches the Grundfos 97736536. If you encounter any difficulties in locating the right item, our team is here to help you navigate your options.
Explore our extensive range of pumps, including booster, centrifugal, end suction, horizontal multistage, and multi-stage types, to find the perfect solution for your needs.
Motor Curves
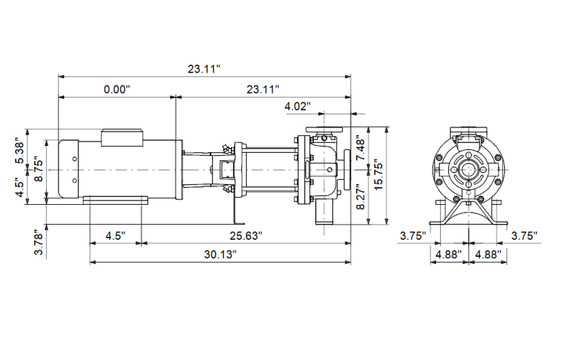
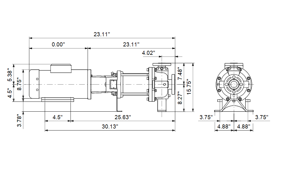
Dimensional Drawing
OPTIMIZED INDUSTRIAL SOLUTIONS (Product brochure)
CR-H, CRN-H (Installation and operating instructions)
CR-H, CRN-H (Installation and operating instructions)
CRN-H MAGdrive for Refrigerants (Installation and operating instructions)
CR-H, CRN-H, CRE-H, CRNE-H (Data booklet)
CR3-H (Industrial Service Manual)
CR5-H (Industrial Service Manual)
CRN1s-H (Industrial Service Manual)
Recently viewed
Similar Products
You'll Also Love...


















































































