Grundfos 96523146 - CRN 10-2 A-FGJ-A-V-HQQV | Multistage | Centrifugal | Vertical | Inline

GRUNDFOSSKU: 96523146

Price:
Sale price$8,657.91
Delivery date to be confirmed on Sales Order
or Call for most up to date lead times. (781) 281-8905

Description

CRN 10-2 A-FGJ-A-V-HQQV Vertical, multistage centrifugal pump with inlet and outlet ports on same the level (inline). Pump materials in contact with the liquid are in high-grade stainless steel. A cartridge shaft seal ensures high reliability, safe handling, and easy access and service. Power transmission is via a rigid split coupling. Pipe connection is via combined DIN-ANSI-JIS flanges. The pump is fitted with a 3-phase, fan-cooled asynchronous motor.

EAN 5700396899107
Applications Industrial applications
Actual impeller diameter 3.66 in
Approvals CURUS
Bearing 1 SIC
Built-in motor protection NONE
Code for rubber V
Code for shaft seal HQQV
Connect code FGJ
Connection DIN / ANSI / JIS
Connection 2 DN 50
Connection 3 DN 50
Connection 4 PN 25
Cooling TEFC
Curve tolerance ISO9906:2012 3B
Density 62.29 lb/ft³
Diameter 3.66 in
DOE Pump Energy Index CL 0.87
Enclosure class (IEC 34-5) 55 Dust/Jetting
Eta 1/1 84.1-83.5%
Flange rating inlet 300 lb
Flange size for motor 56C
Frequency 60 HZ
Frequency converter NONE
Full load SF current 5,1-4,95/2,48 A
Gross weight 99.2 lb
IE Eff. Class NEMA Premium / IE3 60Hz
IE efficiency classNEMA Premium / IE3 60Hz
IE Efficiency class NEMA Premium / IE3 60Hz
Impeller Stainless steel
Impellers 2
Insulation F
Insulation class (IEC 85) F
Liquid max temp 90°C
Liquid temperature range -4 .. 194 °F
Low NPSH N
Material code A
Material Pricing Group 6
Max pressure at stated temp 363 psi / 194 °F
Maximum ambient temperature 140 °F
Maximum head 95.81 ft
Maximum operating pressure 362.59 psi
Maximum permissible operating pressure 25bar
Model A
Motor 56C
Motor efficiency at 1/2 load 0.82
Motor efficiency at 3/4 load 83.5-81.0 %
Motor efficiency at full load 1 84.1-83.5 %
Motor protec NONE
Motor standard NEMA
Motor type 80CA
n rpm 3440-3480rpm
Net weight 81.6 lb
Number of poles 2
Number of reduced-diameter impellers 0
P2 HP 1.5 HP
P2 kW 1.1kW
Phase 3
Power (P2) required by pump 1.5 HP
Power factor 1 0.84-0.78
Pressure rating PN 25
Pressure rating for connection PN 25
Product family CRN 10
Pump 1.5 HP
Pump housing Stainless steel
Pump inlet DN 50
Pump outlet DN 50
Pump version A
Pumped liquid Water
Rated current 4,45-4,3/2,16 A
Rated flow 53.3 US gpm
Rated flow 2 53.3 US gpm
Rated head 72.51 ft
Rated head 2 72.51 ft
Rated power - P2 1.5 HP
Rated speed 3440-3480 rpm
Rated voltage 3 x 208-230YY/460Y V
Real Time Delivery date to be confirmed on Sales Order Update with real time availability and Net price
Rubber V
Selected liquid temperature 68 °F
Service factor 1.15
Shaft seal HQQV
Size of inlet connection DN 50
Size of outlet connection DN 50
Stages 2
Standard NEMA
Starting current 7.2
Type 80CA
Type of connection DIN / ANSI / JIS
Version A

Motor Curves

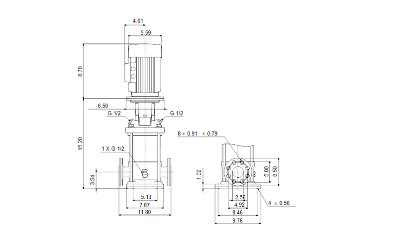
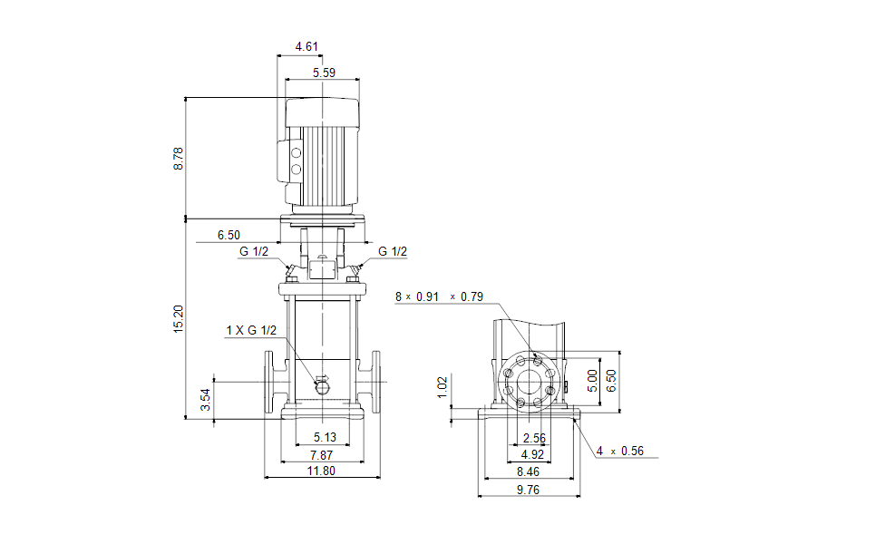
Dimensional Drawing

DWiring Diagram

Recently viewed

Similar Products