Description
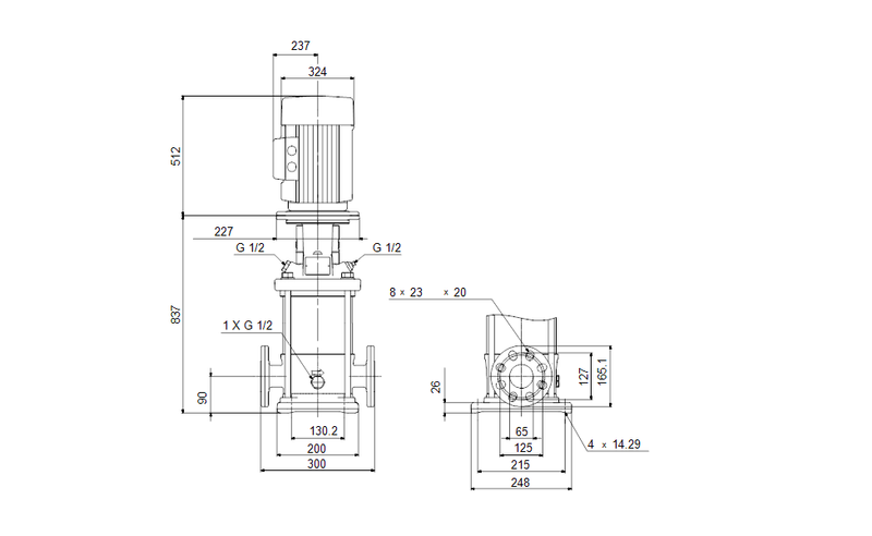
CRN 10-14 K-FGJ-A-E-HQQE Vertical, multistage centrifugal pump with inlet and outlet ports on same the level (inline). Pump materials in contact with the liquid are in high-grade stainless steel. A special "Low NPSH" first-stage design reduces the pump's NPSHr value. A cartridge shaft seal ensures high reliability, safe handling, and easy access and service. Power transmission is via a rigid split coupling. Pipe connection is via combined DIN-ANSI-JIS flanges. The pump is fitted with a 3-phase, fan-cooled asynchronous motor.
EAN
5700316585059
Actual impeller diameter
3.66 in
Approvals
CURUS
Built-in motor protection
NONE
Code for rubber
E
Code for shaft seal
HQQE
Connect code
FGJ
Connection
PN 25
Curve tolerance
ISO9906:2012 3B
Density
62.29 lb/ft³
Diameter
3.66 in
DOE Pump Energy Index CL
0.94
Enclosure class (IEC 34-5)
IP54
Flange rating inlet
300 lb
Flange size for motor
254TC
Frequency converter
NONE
Gross weight
474.0 lb
IE efficiency
IE3 91%
IE Efficiency class
IE3 / NEMA Premium
Impeller
Stainless steel
Impellers
0
Insulation class (IEC 85)
F
Liquid temperature range
-4 .. 248 °F
Low NPSH
Y
Mains frequency
60 Hz
Material code
A
Material Pricing Group
3L
Max pressure at stated temp
363 psi / 250 °F
Maximum ambient temperature
104 °F
Maximum head
646.4 ft
Maximum operating pressure
25 bar
Model
A
Motor
254TC
Motor efficiency at 1/2 load
91-91 %
Motor efficiency at 3/4 load
91.6-91.6 %
Motor efficiency at full load 1
0.91
Motor standard
NEMA
Motor type
BALDOR
Net weight
359.0 lb
Number of poles
2
Number of reduced-diameter impellers
0
Power (P2) required by pump
11 kW
Power factor 1
0.87
Pressure rating for connection
PN 25
Pressure sensor
N
Pump
11 kW
Pump speed on which pump data are based
3450 rpm
Pump version
K
Pumped liquid
Water
Rated current
38
Rated flow
53.3 US gpm
Rated head
523.3 ft
Rated power - P2
11 kW
Rated speed
3520 rpm
Rated voltage
3 x 208-230/460 V
Real Time
Delivery date to be confirmed on Sales Order Update with real time availability and Net price
Rubber
E
Selected liquid temperature
68 °F
Service factor
1.15
Size of inlet connection
DN 50
Size of outlet connection
DN 50
Stages
14
Standard
NEMA
Starting current
6.8
Type
BALDOR
Type of connection
DIN / ANSI / JIS
Version
K
Motor Curves
Dimensional Drawing
DWiring Diagram
Recently viewed
Similar Products
You'll Also Love...
Save $56.19

GRUNDFOS
Grundfos 96806135 - Flange Kit GF15/26 x 3/4" Sweat Vlv DiE
Sale price$71.81
Regular price$128.00
Save $4,969.10


GRUNDFOS
Grundfos 10731952 - BM 3A-52N NBR | Booster Module | Multistage | Inline
Sale price$9,645.90
Regular price$14,615.00
Save $82,454.00


GRUNDFOS
Grundfos 19933613 - BM 95-13R NBR | Submersible | Booster | High Pressure
Sale price$123,681.00
Regular price$206,135.00
Save $74,772.80


GRUNDFOS
Grundfos 19933611 - BM 95-11R NBR | Submersible | Booster | High Pressure
Sale price$112,159.20
Regular price$186,932.00
Save $950.00

Baldor
Baldor CL3608TM - 5 HP, 3450RPM, 1 Phase, 60HZ, 184TC, 3640LC, TEFC 60HZ Single Phase Single Phase 5 HP
Sale price$1,675.00
Regular price$2,625.00
Save $421.60

Baldor
Baldor CDP3310 - .25 HP, 1750RPM, DC, 56C, 3320P, Tenv, F1 25 HP 56°C
Sale price$757.40
Regular price$1,179.00
Save $244.25

Baldor
Baldor LPL50 - .5 HP, 3450RPM, 1 Phase, 60HZ, 3520S, Dental Lathe 60HZ Single Phase 5 HP
Sale price$732.75
Regular price$977.00
Save $950.00

Baldor
Baldor CL3608TM - 5 HP, 3450RPM, 1 Phase, 60HZ, 184TC, 3640LC, TEFC 60HZ Single Phase Single Phase 5 HP
Sale price$1,675.00
Regular price$2,625.00
Save $421.60

Baldor
Baldor CDP3310 - .25 HP, 1750RPM, DC, 56C, 3320P, Tenv, F1 25 HP 56°C
Sale price$757.40
Regular price$1,179.00
Save $907.00

Barmesa
Barmesa SRC8 Slide Rail Coupling 8.0" X 8.0" | Stainless Steel | Cast Iron
Sale price$3,628.00
Regular price$4,535.00
Save $424.60

Barmesa
Barmesa SRCH-3 Slide Rail Coupling 3.0" X 3.0" Stainless Steel Cast Iron
Sale price$1,698.40
Regular price$2,123.00
Save $228.60

Barmesa
Barmesa SRCH-2 Slide Rail Coupling 2.0" X 2.0" Stainless Steel Cast Iron
Sale price$914.40
Regular price$1,143.00

WorldWide Electric
Worldwide, 4 Lead, Single-Phase, 4 Pole, 60HZ, 1800 RPM, BBD7204
Sale price$5,395.16

WorldWide Electric
Worldwide, 4 Lead, Single-Phase, 4 Pole, 60HZ, 1800 RPM, BBD6204
Sale price$4,977.51

WorldWide Electric
Worldwide, 4 Lead, Single-Phase, 4 Pole, 60HZ, 1800 RPM, BBD5204
Sale price$4,551.36
Save $1,954.54


GRUNDFOS
Grundfos 99329815 - CME 10-1 A-S-G-E-AQQE U-A-A-N | Multistage | Centrifugal | Horizontal
Sale price$2,294.46
Regular price$4,249.00
Save $850.08


GRUNDFOS
Grundfos 98125766 - CM 1-6 A-S-I-E-AQQE B-A-A-N | Multistage | Centrifugal | Horizontal
Sale price$997.92
Regular price$1,848.00
Save $756.24


GRUNDFOS
Grundfos 97568342 - CM 3-2 A-S-G-E-AQQE E-A-A-N | Multistage | Centrifugal | Horizontal
Sale price$887.76
Regular price$1,644.00
Save $2,305.50

Baldor
Baldor SSBSM80C-475CA - 30 Lb. In. , Stainless Steel Bsm Servo Motor Stainless Steel
Sale price$6,916.50
Regular price$9,222.00
Save $2,241.50

Baldor
Baldor SSBSM80C-275CA - 17 Lb. In. , Stainless Steel Bsm Servo Motor Stainless Steel
Sale price$6,724.50
Regular price$8,966.00
Save $524.86


GRUNDFOS
Grundfos 99883241 - WEG 56C | Motor | TEFC | Energy Efficient
Sale price$616.14
Regular price$1,141.00
Save $3,092.52

GRUNDFOS
Grundfos 99887777 - WEG 254/6TC 3x575 2P 20HP W6 ODP | Motor | TEFC | Energy Efficient
Sale price$1,118.48
Regular price$4,211.00
Save $26.27

GRUNDFOS
Grundfos 96742103 - Gasket Package #2 for Basin Cover 8 Bolt
Sale price$38.73
Regular price$65.00
Save $1,954.54


GRUNDFOS
Grundfos 99329815 - CME 10-1 A-S-G-E-AQQE U-A-A-N | Multistage | Centrifugal | Horizontal
Sale price$2,294.46
Regular price$4,249.00
Save $756.24


GRUNDFOS
Grundfos 97568342 - CM 3-2 A-S-G-E-AQQE E-A-A-N | Multistage | Centrifugal | Horizontal
Sale price$887.76
Regular price$1,644.00
Save $850.08


GRUNDFOS
Grundfos 98125766 - CM 1-6 A-S-I-E-AQQE B-A-A-N | Multistage | Centrifugal | Horizontal
Sale price$997.92
Regular price$1,848.00
Save $3,801.07


GRUNDFOS
Grundfos 99968295 - CR 10-9 K-GJ-A-E-HQQE | Multistage | Centrifugal | Vertical | Inline
Sale price$5,079.93
Regular price$8,881.00
Save $3,549.40


GRUNDFOS
Grundfos 99968294 - CR 10-8 K-GJ-A-E-HQQE | Vertical | Multistage | Centrifugal
Sale price$4,743.60
Regular price$8,293.00
Save $2,110.90


GRUNDFOS
Grundfos 99968265 - CR 3-15 K-FGJ-A-E-HQQE | Vertical | Multistage | Centrifugal
Sale price$2,821.10
Regular price$4,932.00
Save $1,094.82

GRUNDFOS
Grundfos 96416225 - Kit | Chamber Stack CR 45-2-1 | Vertical | Multistage | Centrifugal
Sale price$2,043.18
Regular price$3,138.00
Save $4,246.65

GRUNDFOS
Grundfos 96416231 - Kit | Chamber Stack CR 45-5-1 | Vertical | Multistage | Centrifugal
Sale price$2,211.35
Regular price$6,458.00
Save $3,398.60

GRUNDFOS
Grundfos 96416242 - Kit | Chamber Stack CRN 45-2-1 | Vertical | Multistage | Centrifugal
Sale price$2,259.40
Regular price$5,658.00
Save $1,688.16


GRUNDFOS
Grundfos 96839796 - CR 1-19 A-FGJ-A-E-HQQE | Multistage | Centrifugal | Vertical | Inline
Sale price$1,828.84
Regular price$3,517.00
Save $1,214.40


GRUNDFOS
Grundfos 99915837 - CR 1-6 A-FGJ-A-E-HQQE | Multistage | Centrifugal | Vertical | Inline
Sale price$1,315.60
Regular price$2,530.00
Save $1,619.55


GRUNDFOS
Grundfos 99916321 - CR 3-12 A-B-A-E-HQQE | Multistage | Centrifugal | Vertical | Inline
Sale price$2,164.45
Regular price$3,784.00
Save $5,049.12


GRUNDFOS
Grundfos 99076226 - CRE 15-4 N-GJ-A-E-HQQE | Multistage | Centrifugal | Vertical | Inline
Sale price$5,469.88
Regular price$10,519.00
Save $3,626.40


GRUNDFOS
Grundfos 99392005 - CRE 10-4 N-BN-A-E-HQQE | Multistage | Centrifugal | Vertical | Inline
Sale price$3,928.60
Regular price$7,555.00
Save $2,990.40


GRUNDFOS
Grundfos 98161426 - CRN 10-4 A-P-A-E-HQQE | Multistage | Centrifugal | Vertical | Inline
Sale price$3,239.60
Regular price$6,230.00
Save $1,442.88


GRUNDFOS
Grundfos 96084805 - CRN 5-6 A-P-A-E-HQQE | Multistage | Centrifugal | Vertical | Inline
Sale price$1,563.12
Regular price$3,006.00
Save $3,315.72


GRUNDFOS
Grundfos 99918031 - CRN 32-1 A-G-A-E-HQQE | Multistage | Centrifugal | Vertical | Inline
Sale price$4,431.28
Regular price$7,747.00
Save $10,954.40

GRUNDFOS
Grundfos 99961196 - WEG 324/6TSC 3x230/460 2P 50HP W6 TE HYB | Motor | TEFC | Energy Efficient
Sale price$4,395.60
Regular price$15,350.00
Save $5,924.96

GRUNDFOS
Grundfos 99971471 - CR95-1-1 X-G-A-V-HQQV 230D/460Y 60 HZ | Vertical | Multistage | Centrifugal
Sale price$3,791.04
Regular price$9,716.00
Save $9,342.98

GRUNDFOS
Grundfos 99972073 - CRN95-1-1 X-G-A-V-HQQV 230D/460Y 60 HZ | Vertical | Multistage | Centrifugal
Sale price$4,222.02
Regular price$13,565.00
Save $4,070.00

GRUNDFOS
Grundfos 97775161 - Sine Wave 525-690 13A 130B2341
Sale price$4,070.00
Regular price$8,140.00
Save $7,507.00

GRUNDFOS
Grundfos 97775162 - Sine Wave 525-690 28A 130B2342
Sale price$7,507.00
Regular price$15,014.00
Save $11,212.50

GRUNDFOS
Grundfos 97775163 - Sine Wave 525-690 45A 130B2343
Sale price$11,212.50
Regular price$22,425.00
Save $14.80

GRUNDFOS
Grundfos 98529570 - Kit | Connector Plug MAGNA1 M/L | Circulator | Energy Efficient | Variable Speed
Sale price$59.20
Regular price$74.00
Save $1,954.54


GRUNDFOS
Grundfos 99329815 - CME 10-1 A-S-G-E-AQQE U-A-A-N | Multistage | Centrifugal | Horizontal
Sale price$2,294.46
Regular price$4,249.00
Save $850.08


GRUNDFOS
Grundfos 98125766 - CM 1-6 A-S-I-E-AQQE B-A-A-N | Multistage | Centrifugal | Horizontal
Sale price$997.92
Regular price$1,848.00
Save $756.24


GRUNDFOS
Grundfos 97568342 - CM 3-2 A-S-G-E-AQQE E-A-A-N | Multistage | Centrifugal | Horizontal
Sale price$887.76
Regular price$1,644.00
Save $76.40

GRUNDFOS
Grundfos 99591437 - Spare LCP display for CUE | Submersible | Borehole | Vertical | High Head
Sale price$305.60
Regular price$382.00
Save $63.75

GRUNDFOS
Grundfos 99381158 - Alarm, Spartan 1x120 | Submersible | Borehole | Vertical | High Head
Sale price$361.25
Regular price$425.00
Save $190.95

GRUNDFOS
Grundfos 99381162 - Panel | Spartan Sim 1x120, 13 | Submersible | Borehole | Vertical | High Head
Sale price$1,082.05
Regular price$1,273.00
Save $951.75

Baldor
Baldor VP3588-14 - 2 HP 3000RPM TEFC D90C Motor 2 HP
Sale price$2,855.25
Regular price$3,807.00
Save $373.75

Baldor
Baldor VP3439-14 - .75HP/.56KWITH 3000RPM/TEFC/D80C Motor 75 HP
Sale price$1,121.25
Regular price$1,495.00
Save $458.50

Baldor
Baldor VP3468-14 - 1.5HP/1.1KWITH 3000RPM/TEFC 34-6243Z178 1.5 HP
Sale price$1,375.50
Regular price$1,834.00
Save $6,162.92

GRUNDFOS
Grundfos 99287378 - DDE 200-4 B-PV/E/C-F-32A7A7BG | Dosing Pump | Economical | Digital
Sale price$234.08
Regular price$6,397.00
Save $4,032.28

GRUNDFOS
Grundfos 99291837 - DDE 60-10 B-PVC/E/C-F-32A7A7BG | Dosing Pump | Economical | Digital
Sale price$443.72
Regular price$4,476.00
Save $5,956.86

GRUNDFOS
Grundfos 99589882 - DME 940-4 AR-SS/T/SS-S-31A4A4B | Dosing Pump | Stepper Motor | High Accuracy
Sale price$9,317.14
Regular price$15,274.00
Save $5,906.16

GRUNDFOS
Grundfos 98158535 - DME 940-4 AR-SS/T/SS-F-31A4A4B | Dosing Pump | Stepper Motor | High Accuracy
Sale price$9,237.84
Regular price$15,144.00
Save $4,968.21

GRUNDFOS
Grundfos 98372478 - DME 375-10 AR-SS/T/SS-F-31A4A4B | Dosing Pump | Stepper Motor | High Accuracy
Sale price$7,770.79
Regular price$12,739.00
Save $248.27

GRUNDFOS
Grundfos 99855113 - DMH 270-10 B-SS/V/SS-X-F1A3A3XAG | Dosing Pump | High Precision | Chemical Use
Sale price$8,740.73
Regular price$8,989.00
Save $1,767.64

GRUNDFOS
Grundfos 99893036 - DMH 13-10 B-PVC/V/C-X-F1A9A9XAG | Dosing Pump | High Precision | Chemical Use
Sale price$1,295.36
Regular price$3,063.00
Save $3,208.32

GRUNDFOS
Grundfos 99954733 - DMH 13-10 B-PVC/T/T-X-F1A9A9XAG | Dosing Pump | High Precision | Chemical Use
Sale price$361.68
Regular price$3,570.00
Save $597.50

Baldor
Baldor VJPFPM3313T - 10//7.5 HP, 1760//1460RPM, 3 Phase, 60//50HZ, 215 50HZ Three Phase 7.5 HP
Sale price$1,792.50
Regular price$2,390.00
Save $4,457.75

Baldor
Baldor VJPFPM2559T-4 - 76M 4P Opsb Ver 405TCZ Dripcover 76 M Cable
Sale price$13,373.25
Regular price$17,831.00
Save $3,800.25

Baldor
Baldor VJPFPM2555T - 62M 4P Opsb Ver 404TCZ Dripcover 62 M Cable
Sale price$11,400.75
Regular price$15,201.00
Save $298.25

Baldor
Baldor LPL75 - .75 HP, 3600RPM, 1 Phase, 60HZ, 3524C, Dental Lath 60HZ Single Phase 75 HP 3524°C
Sale price$894.75
Regular price$1,193.00
Save $14.80

GRUNDFOS
Grundfos 98529570 - Kit | Connector Plug MAGNA1 M/L | Circulator | Energy Efficient | Variable Speed
Sale price$59.20
Regular price$74.00
Save $56.19

GRUNDFOS
Grundfos 96806135 - Flange Kit GF15/26 x 3/4" Sweat Vlv DiE
Sale price$71.81
Regular price$128.00
Save $216.40

GRUNDFOS
Grundfos 97751575 - Kit | Valve & Diaph | Digital Input | Alarm | Monitoring
Sale price$865.60
Regular price$1,082.00
Save $53.80

GRUNDFOS
Grundfos 99580611 - Kit | Venting Valve SD-XL, PVDF/V/C
Sale price$215.20
Regular price$269.00
Save $112.00

GRUNDFOS
Grundfos 97751533 - Kit | Valve & Diaph DDA/C/E 6 TO 9 | Dosing Pump | Digital | High Accuracy
Sale price$448.00
Regular price$560.00
Save $76.40

GRUNDFOS
Grundfos 99591437 - Spare LCP display for CUE | Submersible | Borehole | Vertical | High Head
Sale price$305.60
Regular price$382.00
Save $216.40

GRUNDFOS
Grundfos 97751575 - Kit | Valve & Diaph | Digital Input | Alarm | Monitoring
Sale price$865.60
Regular price$1,082.00
Save $53.80

GRUNDFOS
Grundfos 99580611 - Kit | Venting Valve SD-XL, PVDF/V/C
Sale price$215.20
Regular price$269.00
Save $6,037.96


GRUNDFOS
Grundfos 99887831 - WEG 284TSC | Motor | TEFC | Energy Efficient
Sale price$7,088.04
Regular price$13,126.00
Save $1,954.54


GRUNDFOS
Grundfos 99329815 - CME 10-1 A-S-G-E-AQQE U-A-A-N | Multistage | Centrifugal | Horizontal
Sale price$2,294.46
Regular price$4,249.00
Save $850.08


GRUNDFOS
Grundfos 98125766 - CM 1-6 A-S-I-E-AQQE B-A-A-N | Multistage | Centrifugal | Horizontal
Sale price$997.92
Regular price$1,848.00
Save $756.24


GRUNDFOS
Grundfos 97568342 - CM 3-2 A-S-G-E-AQQE E-A-A-N | Multistage | Centrifugal | Horizontal
Sale price$887.76
Regular price$1,644.00
Save $193.00

GRUNDFOS
Grundfos 91123941 - Liquid Level Switch Kit 3" MANIFOLD
Sale price$772.00
Regular price$965.00
Save $181.90

GRUNDFOS
Grundfos 99613063 - Tank 6.4GAL 150# ASME DD 390602
Sale price$1,637.10
Regular price$1,819.00
Save $202.20

GRUNDFOS
Grundfos 99613065 - Tank 8.6GAL 150# ASME DD 390603
Sale price$1,819.80
Regular price$2,022.00
Save $228.50

GRUNDFOS
Grundfos 99613066 - Tank 16.6GAL 150# ASME DD 401681
Sale price$2,056.50
Regular price$2,285.00
Save $929.91


GRUNDFOS
Grundfos 98992936 - MTC 2-6/4 A-WB-A-AQQV | Multistage | Immersible | SelfPriming | Centrifugal | Vertical Installation | Vertical
Sale price$1,300.09
Regular price$2,230.00
Save $977.86


GRUNDFOS
Grundfos 98993319 - MTC 4-5/3 A-WB-A-AQQV | Multistage | Immersible | SelfPriming | Centrifugal | Vertical Installation | Vertical
Sale price$1,367.14
Regular price$2,345.00
Save $7,171.30

GRUNDFOS
Grundfos 99291833 - DDA 200-4 FCM-PV/V/C-F-32A7A7BG | Horizontal | End Suction | Centrifugal
Sale price$3,375.70
Regular price$10,547.00
Save $1,192.64


GRUNDFOS
Grundfos 92560410 - NBS 060-110/10.75 AASG7SAESDQQEOY6 | SelfPriming | Centrifugal | Horizontal
Sale price$20,893.36
Regular price$22,086.00
Save $1,142.21


GRUNDFOS
Grundfos 92560409 - NBS 060-110/10.75 AASG7SAESDQQEOY6 | SelfPriming | Centrifugal | Horizontal
Sale price$20,009.79
Regular price$21,152.00
Save $1,123.85


GRUNDFOS
Grundfos 92560406 - NBS 060-110/10.20 AASG7SAESDQQENY6 | SelfPriming | Centrifugal | Horizontal
Sale price$19,688.15
Regular price$20,812.00
Save $14,243.76

GRUNDFOS
Grundfos 99961197 - WEG 364/5TSC 3x230/460 2P 60HP W6 TE CIB | Motor | TEFC | Energy Efficient
Sale price$4,827.24
Regular price$19,071.00
Save $310.96

GRUNDFOS
Grundfos 91134900 - ML71AA 230/460-2 1/3HP 56C | Motor | High Efficiency
Sale price$365.04
Regular price$676.00
Save $332.12

GRUNDFOS
Grundfos 91134901 - ML71AB 230/460-2 1/2HP 56C | Motor | High Efficiency
Sale price$389.88
Regular price$722.00
Save $2,760.92

GRUNDFOS
Grundfos 99586675 - MGE132SF 3R430-1 7.5kW B14 IEC PGK
Sale price$3,241.08
Regular price$6,002.00
Save $2,010.66

GRUNDFOS
Grundfos 99586773 - MGE112MC R430-1 4.6kW B14 IEC PGK
Sale price$2,360.34
Regular price$4,371.00
Save $2,421.90

GRUNDFOS
Grundfos 99586774 - MGE132SE 3R430-1 6.0kW B14 IEC Package
Sale price$2,843.10
Regular price$5,265.00
Save $524.86


GRUNDFOS
Grundfos 99883241 - WEG 56C | Motor | TEFC | Energy Efficient
Sale price$616.14
Regular price$1,141.00
Save $3,092.52

GRUNDFOS
Grundfos 99887777 - WEG 254/6TC 3x575 2P 20HP W6 ODP | Motor | TEFC | Energy Efficient
Sale price$1,118.48
Regular price$4,211.00
Save $2,572.12

GRUNDFOS
Grundfos 99947812 - CMBE 1-44 I-X-C-E-D-E 1x115V 60Hz RPL | Horizontal | End Suction | Centrifugal
Sale price$2,046.88
Regular price$4,619.00
Save $3,022.08

GRUNDFOS
Grundfos 99947844 - CMBE10-54 I-U-C-E-D-G 1x200-240 60 RPL | Horizontal | End Suction | Centrifugal
Sale price$4,757.92
Regular price$7,780.00
Save $1,954.54


GRUNDFOS
Grundfos 99329815 - CME 10-1 A-S-G-E-AQQE U-A-A-N | Multistage | Centrifugal | Horizontal
Sale price$2,294.46
Regular price$4,249.00
Save $929.91


GRUNDFOS
Grundfos 98992936 - MTC 2-6/4 A-WB-A-AQQV | Multistage | Immersible | SelfPriming | Centrifugal | Vertical Installation | Vertical
Sale price$1,300.09
Regular price$2,230.00
Save $756.24


GRUNDFOS
Grundfos 97568342 - CM 3-2 A-S-G-E-AQQE E-A-A-N | Multistage | Centrifugal | Horizontal
Sale price$887.76
Regular price$1,644.00
Save $11,862.63

GRUNDFOS
Grundfos 99852649 - Sensor | Turbidity, Organics, Plug Type
Sale price$8,809.37
Regular price$20,672.00
Save $181.90

GRUNDFOS
Grundfos 99613063 - Tank 6.4GAL 150# ASME DD 390602
Sale price$1,637.10
Regular price$1,819.00
Save $202.20

GRUNDFOS
Grundfos 99613065 - Tank 8.6GAL 150# ASME DD 390603
Sale price$1,819.80
Regular price$2,022.00
Save $228.50

GRUNDFOS
Grundfos 99613066 - Tank 16.6GAL 150# ASME DD 401681
Sale price$2,056.50
Regular price$2,285.00
Save $149.70


GRUNDFOS
Grundfos 97748941 - RPI/--0-4.0b/1/ F/M2.00-X/EG6/--/---/SC-1 | Pump Interface | Remote Control
Sale price$349.30
Regular price$499.00
Save $56.19

GRUNDFOS
Grundfos 96806135 - Flange Kit GF15/26 x 3/4" Sweat Vlv DiE
Sale price$71.81
Regular price$128.00
Save $216.40

GRUNDFOS
Grundfos 97751575 - Kit | Valve & Diaph | Digital Input | Alarm | Monitoring
Sale price$865.60
Regular price$1,082.00
Save $216.40

GRUNDFOS
Grundfos 97751575 - Kit | Valve & Diaph | Digital Input | Alarm | Monitoring
Sale price$865.60
Regular price$1,082.00
Save $56.19

GRUNDFOS
Grundfos 96806135 - Flange Kit GF15/26 x 3/4" Sweat Vlv DiE
Sale price$71.81
Regular price$128.00
Save $56.19

GRUNDFOS
Grundfos 96806135 - Flange Kit GF15/26 x 3/4" Sweat Vlv DiE
Sale price$71.81
Regular price$128.00
Save $2,086.10


GRUNDFOS
Grundfos 99059799 - CM 15-3 A-S-I-E-AQQE E-A-A-N | Horizontal | End Suction | Centrifugal
Sale price$2,448.90
Regular price$4,535.00
Save $902.06


GRUNDFOS
Grundfos 96806911 - CM 3-4 A-S-G-V-AQQV B-A-A-N | Horizontal | End Suction | Centrifugal
Sale price$1,058.94
Regular price$1,961.00
Save $216.40

GRUNDFOS
Grundfos 97751575 - Kit | Valve & Diaph | Digital Input | Alarm | Monitoring
Sale price$865.60
Regular price$1,082.00
Save $53.80

GRUNDFOS
Grundfos 99580611 - Kit | Venting Valve SD-XL, PVDF/V/C
Sale price$215.20
Regular price$269.00
Save $3,550.50

GRUNDFOS
Grundfos 96804572 - TP100-160/2 A-G-A-RUUE 3X230/460 60HZ | Circulator | Heating | Domestic Use
Sale price$4,339.50
Regular price$7,890.00
Save $5,082.00


GRUNDFOS
Grundfos 99884124 - TPE3 D 80-110 S-A-G-A-BQQE-GBB | Inline | Variable Speed | Energy Efficient
Sale price$11,857.00
Regular price$16,939.00
Save $5,214.00


GRUNDFOS
Grundfos 99884119 - TPE3 80-180 S-A-G-I-BQQE-IBB | Inline | Variable Speed | Energy Efficient
Sale price$12,165.00
Regular price$17,379.00
Save $26.27

GRUNDFOS
Grundfos 96742103 - Gasket Package #2 for Basin Cover 8 Bolt
Sale price$38.73
Regular price$65.00
Save $929.91


GRUNDFOS
Grundfos 98992936 - MTC 2-6/4 A-WB-A-AQQV | Multistage | Immersible | SelfPriming | Centrifugal | Vertical Installation | Vertical
Sale price$1,300.09
Regular price$2,230.00
Save $977.86


GRUNDFOS
Grundfos 98993319 - MTC 4-5/3 A-WB-A-AQQV | Multistage | Immersible | SelfPriming | Centrifugal | Vertical Installation | Vertical
Sale price$1,367.14
Regular price$2,345.00
Save $149.70


GRUNDFOS
Grundfos 97748941 - RPI/--0-4.0b/1/ F/M2.00-X/EG6/--/---/SC-1 | Pump Interface | Remote Control
Sale price$349.30
Regular price$499.00
Save $264.40

Barmesa
Barmesa SQM-2 Slide Rail Coupling 2" for BSV Series Pum| Stainless Steel
Sale price$1,057.60
Regular price$1,322.00
Save $1,536.80

Barmesa
Barmesa CUT754 Roto Blade Submersible Sewage Pump 7.5 HP 460V 3PH 40' Cord Manual | Enclosure | 104°F | 40°C | Industrial Use
Sale price$6,147.20
Regular price$7,684.00
Save $929.91


GRUNDFOS
Grundfos 98992936 - MTC 2-6/4 A-WB-A-AQQV | Multistage | Immersible | SelfPriming | Centrifugal | Vertical Installation | Vertical
Sale price$1,300.09
Regular price$2,230.00
Save $977.86


GRUNDFOS
Grundfos 98993319 - MTC 4-5/3 A-WB-A-AQQV | Multistage | Immersible | SelfPriming | Centrifugal | Vertical Installation | Vertical
Sale price$1,367.14
Regular price$2,345.00
Save $2,280.80

Baldor
Baldor 1453 - 7.5 HP, 3000/3600RPM, 3 Phase, 50/60HZ, 3735M 60HZ Three Phase 7.5 HP 3735 M Cable
Sale price$3,421.20
Regular price$5,702.00
Save $3,550.50

GRUNDFOS
Grundfos 96804572 - TP100-160/2 A-G-A-RUUE 3X230/460 60HZ | Circulator | Heating | Domestic Use
Sale price$4,339.50
Regular price$7,890.00
Save $5,623.65


GRUNDFOS
Grundfos 96411853 - TP 100-160/2 A-G-Z-BUBE-JX2 | Centrifugal
Sale price$6,873.35
Regular price$12,497.00
Save $6,059.25


GRUNDFOS
Grundfos 96411852 - TP 100-160/2 A-G-Z-BUBE-JX2 | Centrifugal
Sale price$7,405.75
Regular price$13,465.00
Save $5,082.00


GRUNDFOS
Grundfos 99884124 - TPE3 D 80-110 S-A-G-A-BQQE-GBB | Inline | Variable Speed | Energy Efficient
Sale price$11,857.00
Regular price$16,939.00
Save $5,214.00


GRUNDFOS
Grundfos 99884119 - TPE3 80-180 S-A-G-I-BQQE-IBB | Inline | Variable Speed | Energy Efficient
Sale price$12,165.00
Regular price$17,379.00
Save $4,859.00


GRUNDFOS
Grundfos 99884118 - TPE3 80-150 S-A-G-I-BQQE-HBB | Inline | Variable Speed | Energy Efficient
Sale price$11,338.00
Regular price$16,197.00