Description
CRN 10-1 A-P-A-E-HQQE Vertical, multistage centrifugal pump with inlet and outlet ports on same the level (inline). Pump materials in contact with the liquid are in high-grade stainless steel. A cartridge shaft seal ensures high reliability, safe handling, and easy access and service. Power transmission is via a rigid split coupling. Pipe connection is via PJE (Victaulic®) couplings.
Motor Curves
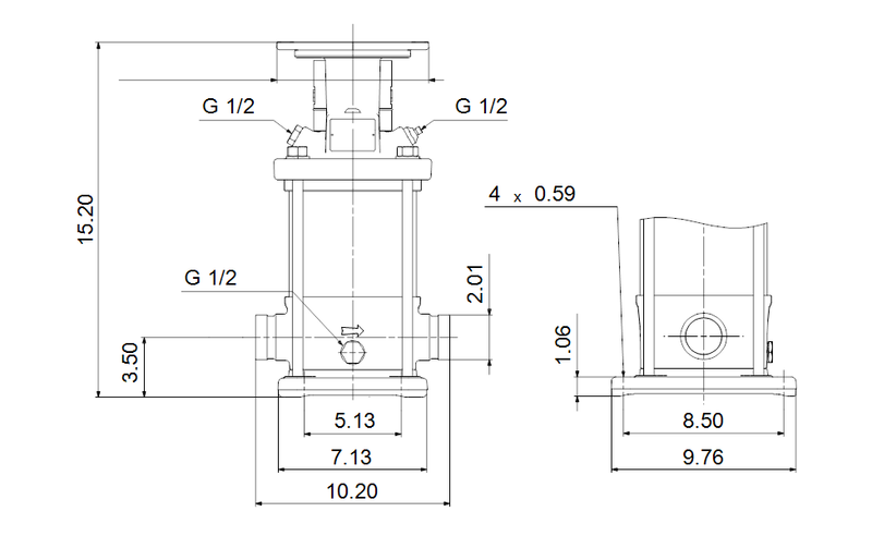
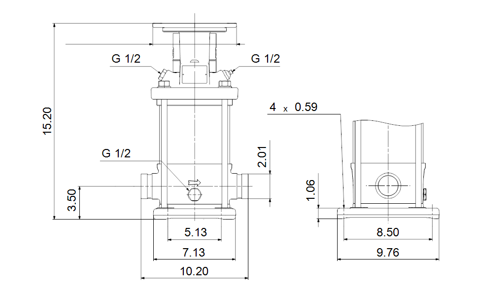
Dimensional Drawing
GRUNDFOS CUSTOM-BUILT CR (Product brochure)
Grundfos CR high pressure pumps (Product brochure)
CR & CRN Quick Ship Program (Product brochure)
OPTIMIZED INDUSTRIAL SOLUTIONS (Product brochure)
COMPREHENSIVE WATER TREATMENT SOLUTIONS (Product brochure)
FOOD PROCESSING, PUMPS FOR INDUSTRY (Product brochure)
Grundfos Data Center Solutions
CR, CRI, CRN, CRT (I & O instructions)
CR Air Vent Kit (Installation and operating Instructions)
CR, CRI, CRN - Vertical multistage centrifugal pumps (Data booklet)
Recently viewed
Similar Products
You'll Also Love...











































































