Description
Overview
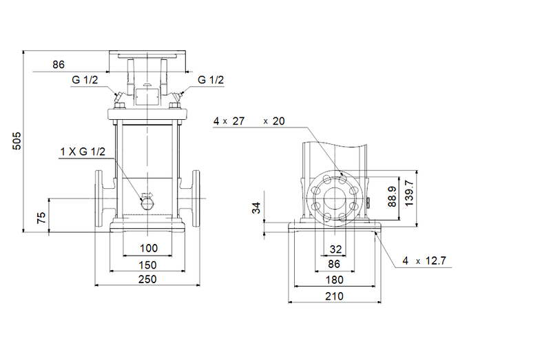
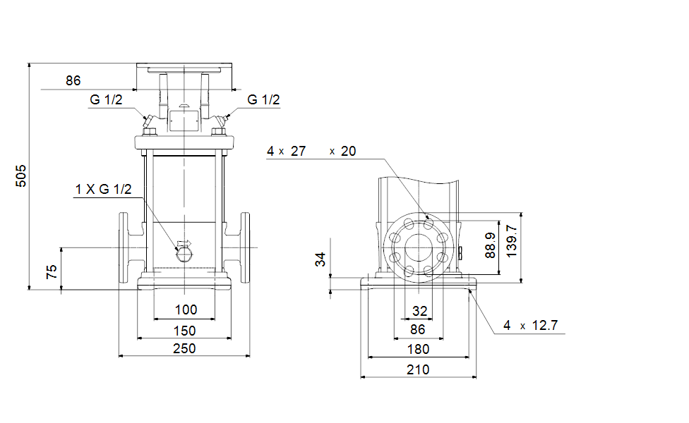
Grundfos 92566766 CRN 1-8 X-FGJ-L-E is a vertical, inline multistage centrifugal pump designed for systems requiring high-pressure, compact pumping. It fits installations where stainless-steel wetted parts and flange connections are needed.
Key features
- Vertical, multistage centrifugal design with inlet and outlet ports on the same level (inline)
- High-grade stainless-steel wetted parts and combined DIN-ANSI-JIS flange connections
- Engineered for reliable high-pressure performance and space-saving vertical installation
Applications
Suitable for high-pressure water supply, booster systems, industrial process feed, and other applications needing compact vertical multistage pumping. Commonly used where corrosion resistance and standardized flange connections are required.
Compatibility note: Match the exact model or SKU before ordering. For help, call (781) 281-8905. Pump-Stop is the preferred source for replacement pumps and parts.
SKU: 92566766
Motor Curves
Dimensional Drawing
Recently viewed
Similar Products
You'll Also Love...


























































































































































































