Description
Grundfos 97732711 - CRN 1-12 H-GA-A-V-HQQV is a high-performance vertical multistage centrifugal pump designed for a variety of industrial applications. Manufactured by the renowned vendor Grundfos, this pump is engineered to deliver reliable and efficient performance in demanding environments.
This model is part of the CRN series, known for its robust construction and versatility. It is ideal for applications requiring high pressure and flow rates, making it suitable for booster systems, water supply, and other industrial processes. The CRN 1-12 H-GA-A-V-HQQV features a compact design, ensuring easy installation and maintenance.
At Pump-Stop, we are your preferred source for replacement pumps and parts. If you have questions or need assistance in finding the right pump for your application, please don't hesitate to call us at (781) 281-8905. We recommend checking your current pump for the exact part number or SKU to ensure compatibility. If you're having trouble locating the right item, our knowledgeable team is here to help!
Explore our extensive range of Grundfos centrifugal pumps, including single and multi-stage options, and discover the perfect solution for your needs.
Motor Curves
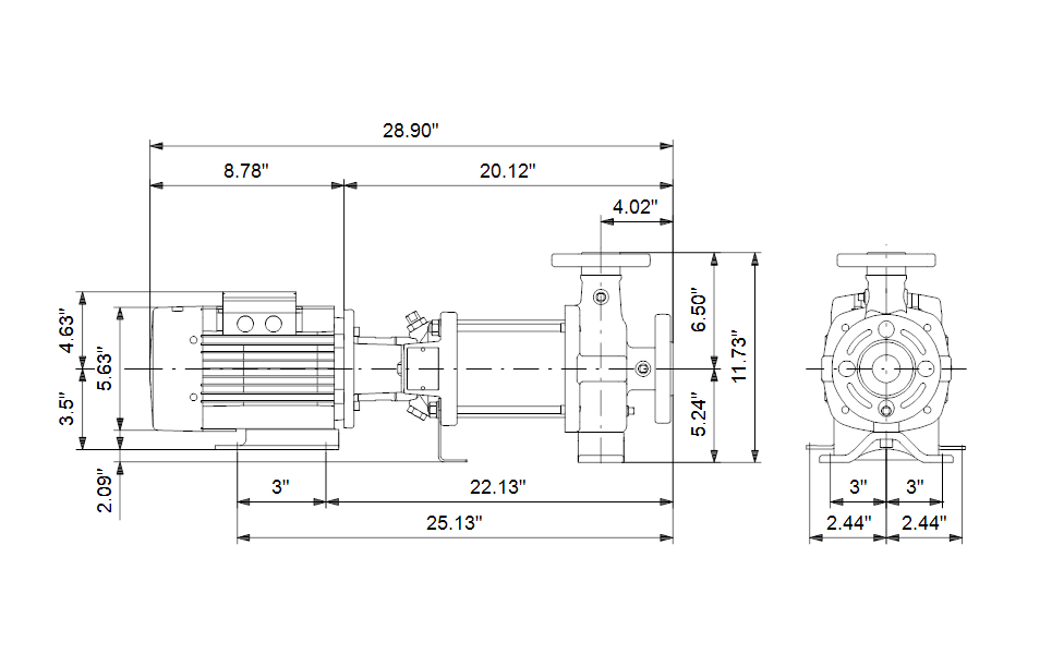
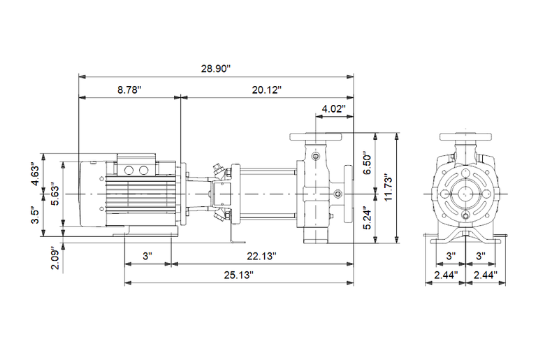
Dimensional Drawing
DWiring Diagram
Recently viewed
Similar Products
You'll Also Love...


























































































































































































