Description
Overview
Grundfos 96500354 - CRI 20-12 A-FGJ-A-E-HQQE is a vertical, multistage centrifugal pump designed for industrial and commercial systems that require high-pressure, in-line pumping. Suitable for technicians and maintenance teams servicing water and process systems.
Key features
- Vertical multistage centrifugal design for compact, high-pressure pumping
- CRI series construction commonly used in in-line and vertical multistage applications
- Provides reliable pressure boosting and staged flow control for system stability
Applications
Typical uses include boiler feed, pressure boosting, water supply, HVAC circulation, and general industrial process pumping where a vertical multistage centrifugal pump is specified.
Compatibility note: Match the exact model or SKU before ordering. For help, call (781) 281-8905. Pump-Stop is the preferred source for replacement pumps and parts.
SKU: 96500354
Motor Curves
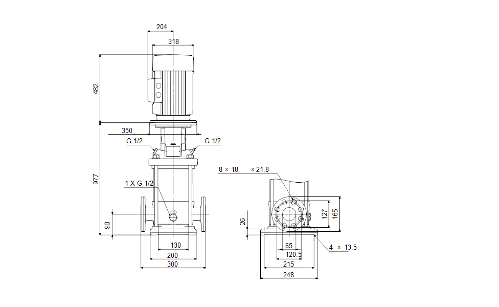
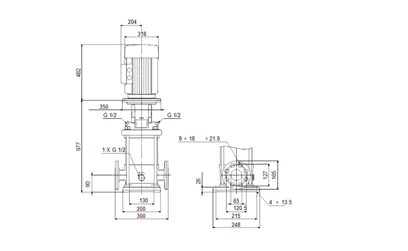
Dimensional Drawing
DWiring Diagram
HYDRO MULTI-E (>3.0 kW) (QUICK GUIDE)
Hydro Multi-E, CR(I)E (<2.2 kW) (Quick Guide)
CR, CRN, CRI, CRT, Removal of TRANSPORT BRACKET (Quick Guide)
Grundfos solar surface pump (Installation and operating instructions)
CR, CRI, CRN 10/15/20 Chamber stack (Service kit Instruction)
CR, CRI, CRN 1, 3 , 5, 32, 45, 90 Bearing flange (Service kit instruction)
CR, CRI, CRN (Service Kit Catalogue)
CR, CRI, CRN 1 to 150 (Recommended spare parts) (Service Kit Catalogue)
CR, CRI, CRN - Coupling/shaft seal (Service kit instruction)
Recently viewed
Similar Products
You'll Also Love...













































































