Grundfos 97749679 - CRI 1-19 A-FGJ-A-E-HQQE | Multistage | Centrifugal | Vertical | Inline

GRUNDFOSSKU: 97749679

Price:
Sale price$8,132.37
Build to order – stocked components, typically available in 5 days
or Call for most up to date lead times. (781) 281-8905

Description

CRI 1-19 A-FGJ-A-E-HQQE Vertical, multistage centrifugal pump with inlet and outlet ports on same the level (inline). Pump materials in contact with the liquid are in stainless steel. A cartridge shaft seal ensures high reliability, safe handling, and easy access and service. Power transmission is via a rigid split coupling. Pipe connection is via combined DIN-ANSI-JIS flanges. The pump is fitted with a 3-phase, fan-cooled asynchronous motor.

EAN 5710623716299
Applications Industrial applications
Approvals CURUS
Approvals for drinking water NSF/ANSI 61
Bearing 1 SIC
Built-in motor protection NONE
Code for rubber E
Code for shaft seal HQQE
Connect code FGJ
Connection DIN / ANSI / JIS
Connection 2 DN 25/32
Connection 3 DN 25/32
Connection 4 PN 25
Cooling TEFC
Curve tolerance ISO9906:2012 3B
Density 62.29 lb/ft³
Enclosure class (IEC 34-5) 55 Dust/Jetting
Eta 1/1 86.5-86.5%
Flange rating inlet 300 lb
Flange size for motor 182TC
Frequency 60 HZ
Frequency converter NONE
Full load SF current 9,60-9,20/4,60 A
Gross weight 114.0 lb
IE Eff. Class NEMA Premium / IE3 60Hz
IE efficiency classNEMA Premium / IE3 60Hz
IE Efficiency class NEMA Premium / IE3 60Hz
Impeller Stainless steel
Impellers 19
Insulation F
Insulation class (IEC 85) F
Liquid max temp 120°C
Liquid temperature range -4 .. 248 °F
Low NPSH N
Material code A
Material Pricing Group 30
Max pressure at stated temp 363 psi / 250 °F
Maximum ambient temperature 140 °F
Maximum head 548.9 ft
Maximum operating pressure 362.59 psi
Maximum permissible operating pressure 25bar
Model A
Motor 182TC
Motor efficiency at 1/2 load 91.4-90.1 %
Motor efficiency at 3/4 load 91.1-90.9 %
Motor efficiency at full load 1 86.5-86.5 %
Motor protec NONE
Motor standard NEMA
Motor type 90HA
n rpm 3500-3520rpm
Net weight 100.0 lb
Number of poles 2
Number of reduced-diameter impellers 0
P2 HP 3 HP
P2 kW 2.2kW
Phase 3
Power (P2) required by pump 3 HP
Power factor 1 0.85-0.82
Pressure rating PN 25
Pressure rating for connection PN 25
Product family CRI 1
Pump 3 HP
Pump housing Stainless steel
Pump inlet DN 25/32
Pump outlet DN 25/32
Pump version A
Pumped liquid Water
Rated current 8,50-8,20/4,10 A
Rated flow 9.69 US gpm
Rated flow 2 9.69 US gpm
Rated head 399 ft
Rated head 2 399 ft
Rated power - P2 3 HP
Rated speed 3500-3520 rpm
Rated voltage 3 x 208-230YY/460Y V
Real Time Delivery date to be confirmed on Sales Order Update with real time availability and Net price
Rubber E
Selected liquid temperature 68 °F
Service factor 1.15
Shaft seal HQQE
Size of inlet connection DN 25/32
Size of outlet connection DN 25/32
Stages 19
Standard NEMA
Starting current 850-970 %
Type 90HA
Type of connection DIN / ANSI / JIS
Version A

Motor Curves

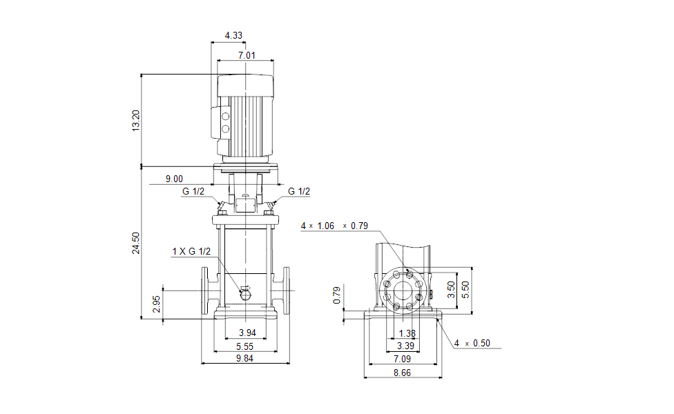
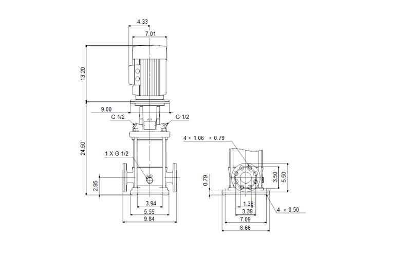
Dimensional Drawing

DWiring Diagram

Recently viewed

Similar Products