Grundfos 98497033 - CRE 5-4 HN --- | Horizontal | End Suction

GRUNDFOSSKU: 98497033

Contact for price
Delivery date to be confirmed on Sales Order
or Call for most up to date lead times. (781) 281-8905

Description

CRE 5-4 HN --- CR-H pumps are horizontal end suction pumps typically mounted on baseplates. The end suction design enables the pump to be installed horizontally in traditional, end suction design piping where the pump has an axial suction port and a radial center line discharge port. This design allows “back pull-out” capability. This means the pump usually can be easily serviced without removing the volute from the pipe system. CR-H pumps can be selected that meet ASME B73. 1 dimensional standards for suction and discharge piping as well as many of the baseplate dimensional standards. CR-H pumps do not fully comply with the ASME B73. 1 specification. MotorThe pump is fitted with an NEMA-flanged, footed, three-phaseMLE motor with frequency converter andPI-controller integrated in the motor terminalbox. No additional motor protection is required asboth motor and electronics are protected byintegrated overload and temperature protection. External sensor can be connected if controlledpump operation based on for example flow, differential pressure or temperature is required. A control panel enables setting of requiredsetpoint as well as setting of pump to MIN or MAXoperation or to STOP. The control panel hasindicator lights for "Operation" and "Fault". Communication with the pump is possible by meansof Grundfos R100 Remote Control enabling furthersettings as well as reading out of a number ofparameters such as "Actual value", "Speed", "Power input" and total "Power consumption". The terminal box holds terminals for theconnection of: Pump start/stop (potential-free contact),
external remote setpoint setting via analogsignal, 0 - 5 V, 0 - 10 V, 0(4) - 20 mA,
5 V voltage supply for setpoint potentiometer, Imax = 5 mA,
sensor, 0 - 5 V, 0 - 10 V, 0(4) - 20 mA,
24 V voltage supply for sensor, Imax = 40 mA,
input for forced control to MIN, MAX, External fault or Flowswitch(potential-free contact),
potential-free fault signal relay withchangeover contact, reporting Fault, Operation or Ready,
RS485 GENIbus.

EAN 5711496138577
Approvals on nameplate ANSI/NSF61
Bearing 1 SIC
Built-in motor protection ELEC
Code for rubber E
Code for shaft seal HQQE
Config. file no 98499232
Connect code GA
Connection CLASS 150
Control panel Standard
Cooling TEFC
Curve tolerance ISO9906:2012 3B
Density 62.29 lb/ft³
Enclosure class (IEC 34-5) IP55
Flange size for motor 56C
Function Module FM300 - Advanced
Gross weight 178.0 lb
IE efficiency 0.869
IE Efficiency class IE5
Impeller Stainless steel
Impellers 4
Insulation class (IEC 85) F
Liquid temperature range -4 .. 248 °F
Low NPSH N
Mains frequency 60 Hz
Material code A
Material Pricing Group 6
Max pressure at stated temp 232 psi / 250 °F
Maximum ambient temperature 122 °F
Maximum operating pressure 16 bar
Model A
Motor 56C
Motor efficiency at full load 1 0.869
Motor standard NEMA
Motor type 80B
Net weight 151.0 lb
Power (P2) required by pump 1.1 kW
Power factor 1 0.99
Pressure rating for connection CLASS 150
Pump 1.1 kW
Pump speed on which pump data are based 3450 rpm
Pump version HN
Pumped liquid Water
Rated current 6.70-5.60 A
Rated flow 30.8 US gpm
Rated head 95.48 ft
Rated power - P2 1.1 kW
Rated speed 360-4000 rpm
Rated voltage 1 x 200-240 V
Real Time Delivery date to be confirmed on Sales Order  Update with real time availability and Net price
Rubber E
Sales region USA
Selected liquid temperature 68 °F
Service factor 1
Size of inlet connection 1.5 inch
Size of outlet connection 1 inch
Stages 4
Standard NEMA
Type 80B
Version HN

Motor Curves

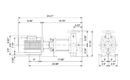
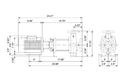
Dimensional Drawing

DWiring Diagram

Recently viewed

Similar Products