Description
CR 5-6 K-FGJ-A-E-HQQE Vertical, multistage centrifugal pump with inlet and outlet ports on same the level (inline). The pump head and base are in cast iron – all other wetted parts are in stainless steel. A special "Low NPSH" first-stage design reduces the pump's NPSHr value. A cartridge shaft seal ensures high reliability, safe handling, and easy access and service. Power transmission is via a rigid split coupling. Pipe connection is via combined DIN-ANSI-JIS flanges. The pump is fitted with a 3-phase, fan-cooled asynchronous motor.
Motor Curves
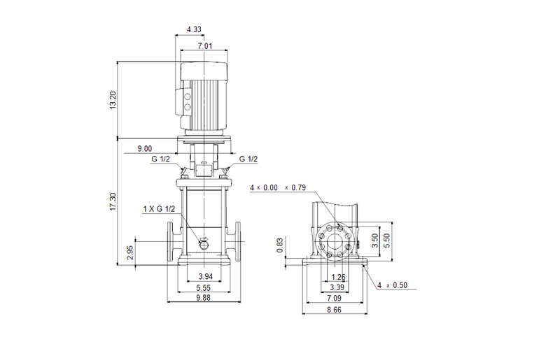
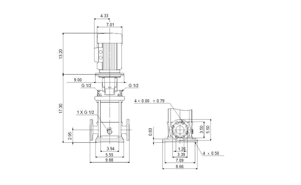
Dimensional Drawing
DWiring Diagram
GRUNDFOS CUSTOM-BUILT CR (Product brochure)
CR & CRN Quick Ship Program (Product brochure)
OPTIMIZED INDUSTRIAL SOLUTIONS (Product brochure)
COMPREHENSIVE WATER TREATMENT SOLUTIONS (Product brochure)
FOOD PROCESSING, PUMPS FOR INDUSTRY (Product brochure)
Get It All with Grundfos Plumbing, ONE PARTNER ALL the PUMPS (Product brochure)
Grundfos Data Center Solutions
CR, CRI, CRN, CRT (I & O instructions)
CR Air Vent Kit (Installation and operating Instructions)
CR, CRI, CRN - Vertical multistage centrifugal pumps (Data booklet)
Recently viewed
Similar Products
You'll Also Love...









































































