Description
Grundfos 97569990 - CR 5-3 H-GA-A-E-HQQE is a high-performance vertical multistage centrifugal pump designed for a variety of industrial applications. Manufactured by the renowned vendor Grundfos, this pump is engineered for efficiency and reliability, making it an ideal choice for boosting pressure in water supply systems and other fluid transfer tasks.
This model is part of the CR series, known for its robust construction and versatility. It is tagged under various classifications including Cr H, Cr H Crn H, Cre H, Crne H, and CRN-CRT- CR FPV, ensuring compatibility with a wide range of applications. Please note that this model does not include the 95 through 255 series.
At Pump-Stop.com, we pride ourselves on being the preferred source for replacement pumps and parts. If you have questions or need assistance in finding the right pump for your application, feel free to call our team at (781) 281-8905. We recommend checking your current pump for the exact part number or SKU that matches to ensure compatibility.
Explore our extensive selection of pumps, including booster pumps, centrifugal pumps, end suction pumps, horizontal multistage pumps, and multi-stage pumps. Trust Grundfos for quality and performance in your pumping solutions.
Motor Curves
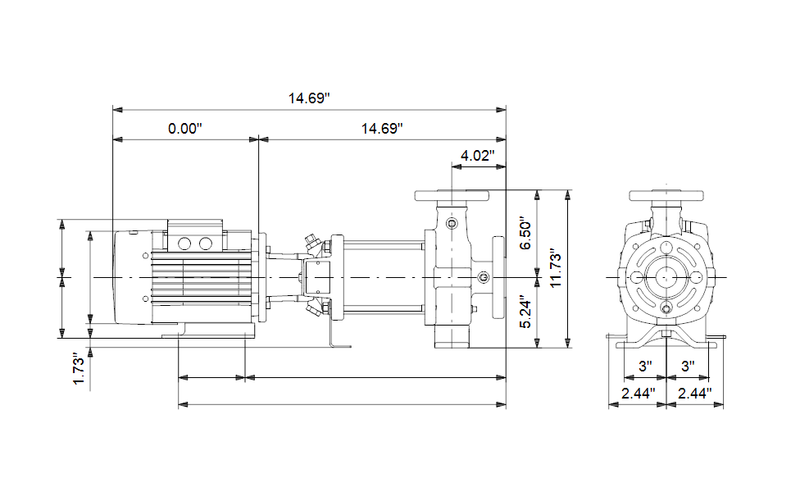
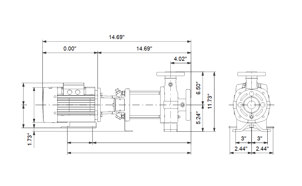
Dimensional Drawing
GRUNDFOS CR-H (Product brochure)
OPTIMIZED INDUSTRIAL SOLUTIONS (Product brochure)
CR-H, CRN-H (Installation and operating instructions)
CR-H, CRN-H (Installation and operating instructions)
CR-H, CRN-H, CRE-H, CRNE-H (Data booklet)
CR1-H (Industrial Service Manual)
CR3-H (Industrial Service Manual)
CR5-H (Industrial Service Manual)
Recently viewed
Similar Products
You'll Also Love...


















































































