Description
Overview
Grundfos 92611079 - CR 45-4-2 E-G-A-E-HQQE is a vertical multistage centrifugal pump designed for industrial and commercial systems where reliable high-pressure in-line pumping is required. Technicians and facility managers commonly install this model for process, booster, and transfer duties.
Key features
- Built for industrial applications and continuous operation
- Vertical, multistage centrifugal design for compact footprint and high head
- Delivers reliable high-pressure performance for in-line and booster systems
Applications
Suitable for water supply and transfer, pressure boosting, HVAC and boiler feed, industrial process systems, and other high-pressure in-line applications where a vertical multistage pump is specified.
Compatibility note: Match the exact model or SKU before ordering. For help, call (781) 281-8905. Pump-Stop is the preferred source for replacement pumps and parts.
SKU: 92611079
Motor Curves
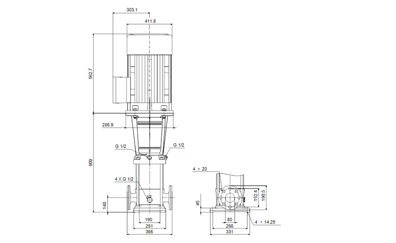
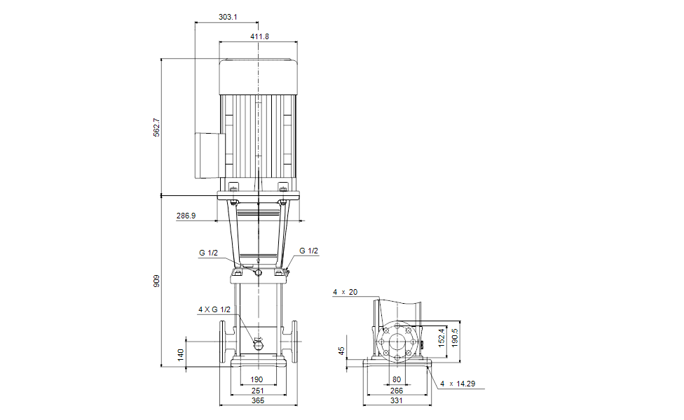
Dimensional Drawing
DWiring Diagram
Recently viewed
Similar Products
You'll Also Love...
































































































































































































