Grundfos 96419120 - CR 45-2-1 A-G-A-E-HQQE | Multistage | Centrifugal | Vertical | Inline

GRUNDFOSSKU: 96419120

Price:
Sale price$15,329.17
Delivery date to be confirmed on Sales Order
or Call for most up to date lead times. (781) 281-8905

Description

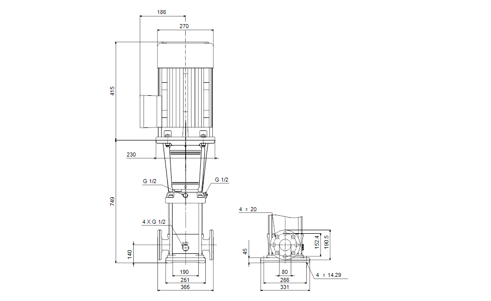
CR 45-2-1 A-G-A-E-HQQE Vertical, multistage centrifugal pump with inlet and outlet ports on same the level (inline). The pump head and base are in cast iron – all other wetted parts are in stainless steel. A cartridge shaft seal ensures high reliability, safe handling, and easy access and service. Power transmission is via a rigid split coupling. Pipe connection is via ANSI flanges. The pump is fitted with a 3-phase, fan-cooled asynchronous motor.

EAN 5700390747534
Applications Industrial applications
Actual impeller diameter 5.34 in
Approvals CURUS
Approvals for drinking water NSF61
Bearing 1 SIC
Bearing 2 Graflon
Built-in motor protection NONE
Code for rubber E
Code for shaft seal HQQE
Connect code G
Connection PN 16
Cooling ODP
Curve tolerance ISO9906:2012 3B
Density 62.29 lb/ft³
Diameter 5.34 in
DOE Pump Energy Index CL 0.89
Enclosure class (IEC 34-5) IP23
Flange rating inlet 150 lb
Flange size for motor 254TC
Frequency converter NONE
Full load SF current 42-39.2/19.6 A
Gross weight 281.0 lb
IE efficiency IE3 90.2%
IE Efficiency class IE3 / NEMA Premium
Impeller Stainless steel
Impellers 1
Insulation class (IEC 85) F
KVA code G
Liquid temperature range -22 .. 248 °F
Low NPSH N
Mains frequency 60 Hz
Material code A
Material Pricing Group 30
Max pressure at stated temp 232 psi / 250 °F
Maximum ambient temperature 104 °F
Maximum head 222.5 ft
Maximum operating pressure 16 bar
Model B
Motor 254TC
Motor efficiency at full load 1 0.902
Motor standard NEMA
Motor type BALDOR
Net weight 263.0 lb
Number of poles 2
Number of reduced-diameter impellers 1
Power (P2) required by pump 11 kW
Power factor 1 0.92
Pressure rating for connection PN 16
Product family CR 45
Pump 11 kW
Pump speed on which pump data are based 3444 rpm
Pump version A
Pumped liquid Water
Rated current 36-35/17.5 A
Rated flow 238 US gpm
Rated head 169.6 ft
Rated power - P2 11 kW
Rated speed 3475 rpm
Rated voltage 3 x 208-230/460 V
Real Time Delivery date to be confirmed on Sales Order  Update with real time availability and Net price
Rubber E
Sales region Namreg
Selected liquid temperature 68 °F
Service factor 1.15
Size of inlet connection 3 inch
Size of outlet connection 3 inch
Stages 2
Standard NEMA
Support bearing Graflon
Type BALDOR
Type of connection ANSI
Version A

Motor Curves

Dimensional Drawing

DWiring Diagram

Recently viewed

Similar Products