Description
Overview
The Grundfos 99246044 - CR 45-1 A-F-A-E-HQQE is a vertical, multistage centrifugal pump designed for industrial fluid transfer and high-pressure in-line service; typical users include maintenance, OEM, and process engineers.
Key features
- Manufactured by Grundfos for robust industrial and process applications
- Vertical multistage centrifugal design suitable for high-pressure and in-line installations
- Compact inline configuration provides reliable staged pumping with efficient footprint for tight mechanical rooms
Applications
Boiler feed, high-pressure water systems, pressure boosting, circulation in industrial process systems, and other in-line vertical multistage duties.
Compatibility note: Match the exact model or SKU before ordering. For help, call (781) 281-8905. Pump-Stop is the preferred source for replacement pumps and parts.
SKU: 99246044
Motor Curves
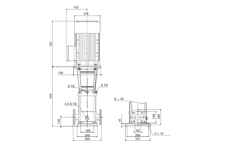
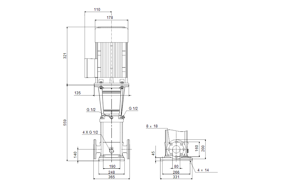
Dimensional Drawing
DWiring Diagram
CR, CRN, CRI, CRT, Removal of TRANSPORT BRACKET (Quick Guide)
CR, CRN 32, 45, 64, 90 - Chamber Stack (Service kit instruction)
CR, CRI, CRN 1, 3 , 5, 32, 45, 90 Bearing flange (Service kit instruction)
CR, CRI, CRN (Service Kit Catalogue)
CR, CRN 32, 45, 64, 90, 120, 150 Silicone-free cartridge shaft (Service kit instruction)
CR, CRI, CRN 1 to 150 (Recommended spare parts) (Service Kit Catalogue)
Couplings (Service kit instruction)
CR, CRI, CRN - Coupling/shaft seal (Service kit instruction)
Recently viewed
Similar Products
You'll Also Love...

































































































































































































