Description
Overview
The Grundfos 92576731 - CR 45-1 A-J-A-V-HQQV is a vertical multistage centrifugal pump designed for in-line, high-pressure industrial and commercial fluid handling. Suitable for technicians and maintenance teams needing a compact, high-head solution, this unit fits systems that require reliable multi-stage performance.
Key features
- Manufactured by Grundfos for industrial and service applications
- Vertical, in-line multistage centrifugal design for high pressure operation
- Delivers staged pumping for consistent pressure and improved system efficiency
Applications
Boiler feed, high-pressure water supply, closed-loop systems, process water transfer, and other industrial or commercial applications where compact high-head pumps are required.
Compatibility note: Match the exact model or SKU before ordering. For help, call (781) 281-8905. Pump-Stop is the preferred source for replacement pumps and parts.
SKU: 92576731
Motor Curves
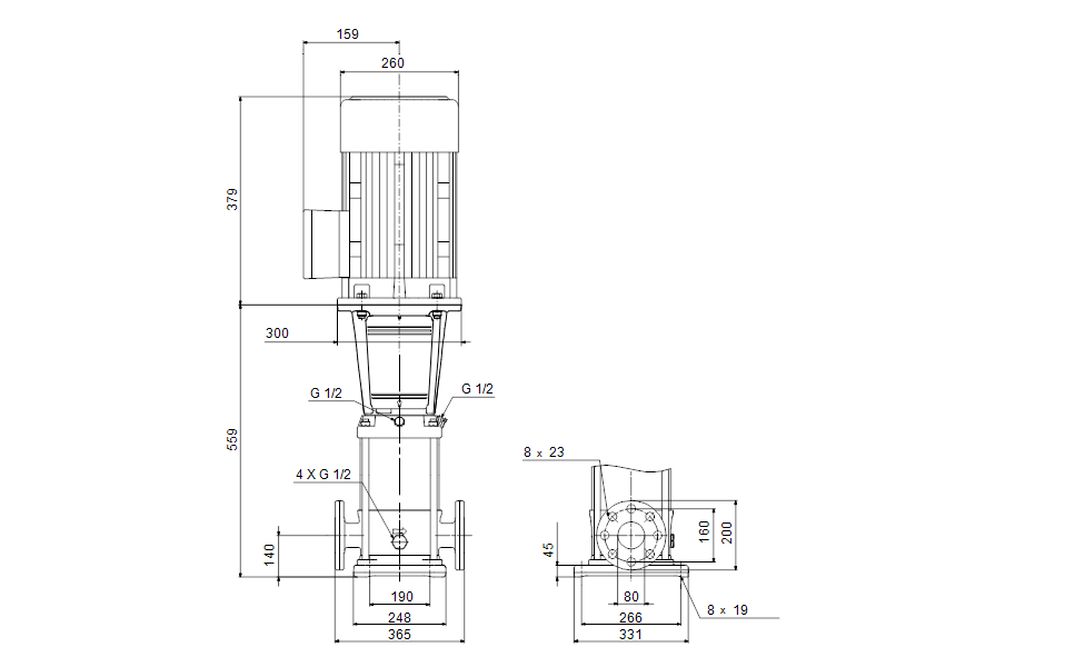
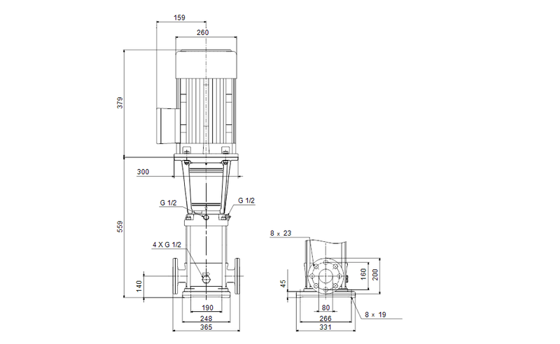
Dimensional Drawing
DWiring Diagram
Recently viewed
Similar Products
You'll Also Love...































































































































































































