Description
Grundfos 97672697 - CR 32-7 H-G50-A-V-HQQV Vertical Multistage Centrifugal Pump
The Grundfos 97672697 - CR 32-7 H-G50-A-V-HQQV is a high-performance vertical multistage centrifugal pump designed for a variety of industrial applications. Manufactured by Grundfos, a leader in pump technology, this model ensures efficient and reliable operation, making it an ideal choice for boosting pressure and transferring fluids in demanding environments.
This pump is part of the CR series, known for its robust construction and versatility. It is suitable for various applications, including water supply, irrigation, and industrial processes. The CR 32-7 model features a compact design, making it easy to install in tight spaces while delivering exceptional performance.
At Pump-Stop.com, we are your preferred source for replacement pumps and parts. If you have questions or need assistance in finding the right pump for your application, please don't hesitate to call us at (781) 281-8905. We recommend checking your current pump for the exact part number or SKU to ensure compatibility. If you're having trouble locating the right item, our knowledgeable team is here to help!
Explore our extensive range of Grundfos centrifugal pumps, including single and multi-stage options, and discover the perfect solution for your needs.
Motor Curves
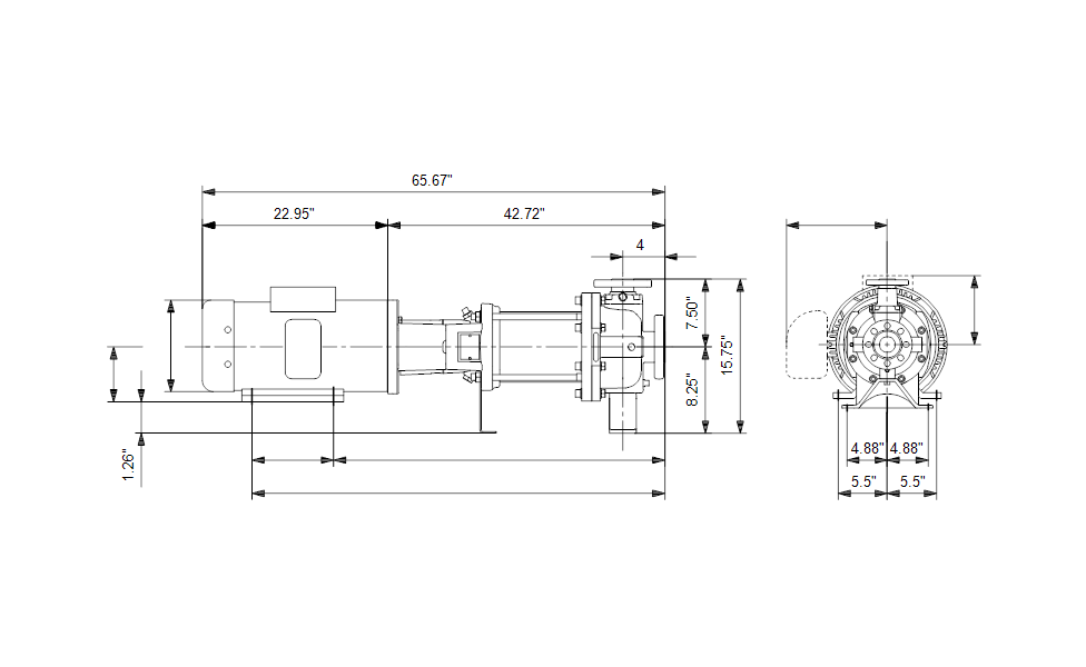
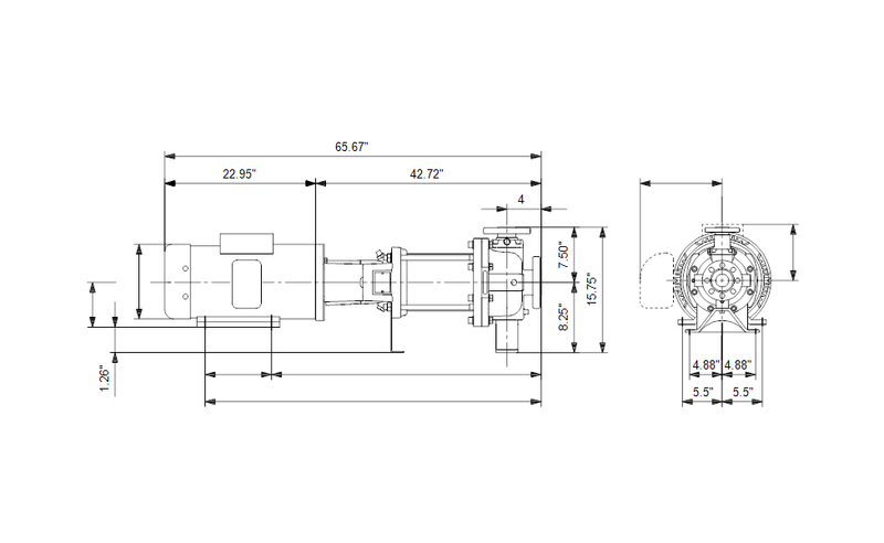
Dimensional Drawing
Recently viewed
Similar Products
You'll Also Love...


















































































