Description
Overview
Grundfos 99038216 - CR 32-3 A-F-A-E-HQQE is a vertical multistage centrifugal pump intended for industrial and commercial fluid transfer applications where compact, high-pressure pumping is required. Technicians and maintenance teams commonly install this unit in systems calling for inline, multistage performance.
Key features
- Manufactured by Grundfos for industrial service and replacement applications
- Vertical, multistage centrifugal design suitable for high-pressure inline systems
- Delivers reliable, efficient fluid transfer and straightforward replacement installation
Applications
Typical uses include high-pressure boiler feed, water supply, pressure boosting, and general industrial process pumping where a vertical multistage centrifugal pump is specified.
Compatibility note: Match the exact model or SKU before ordering. For help, call (781) 281-8905. Pump-Stop is the preferred source for replacement pumps and parts.
SKU: 99038216
Motor Curves
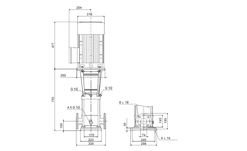
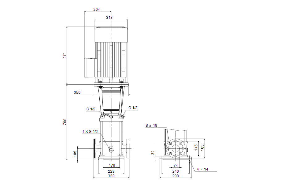
Dimensional Drawing
DWiring Diagram
Recently viewed
Similar Products
You'll Also Love...














































































