Description
Grundfos 97915626 - CR 32-1-1 P-G-A-E-HQQE Vertical Multistage Centrifugal Pump
The Grundfos 97915626 - CR 32-1-1 P-G-A-E-HQQE is a high-performance vertical multistage centrifugal pump designed for a variety of industrial applications. Known for its reliability and efficiency, this pump is ideal for high-pressure water supply, irrigation, and other demanding tasks.
Manufactured by Grundfos, a leader in pump technology, the CR 32-1-1 model features a robust construction that ensures durability and long service life. Its multistage design allows for increased pressure capabilities, making it suitable for applications where consistent performance is crucial.
At Pump-Stop, we are your preferred source for replacement pumps and parts. If you have questions or need assistance in finding the right pump for your application, please don't hesitate to reach out to our knowledgeable team at (781) 281-8905.
Before purchasing, we recommend checking your current pump for the exact part number or SKU to ensure compatibility. If you encounter any difficulties in locating the right item, our team is here to help!
Motor Curves
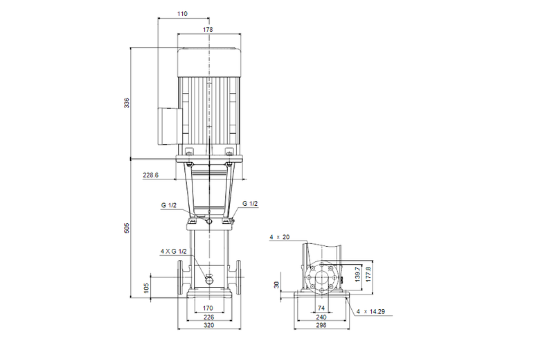
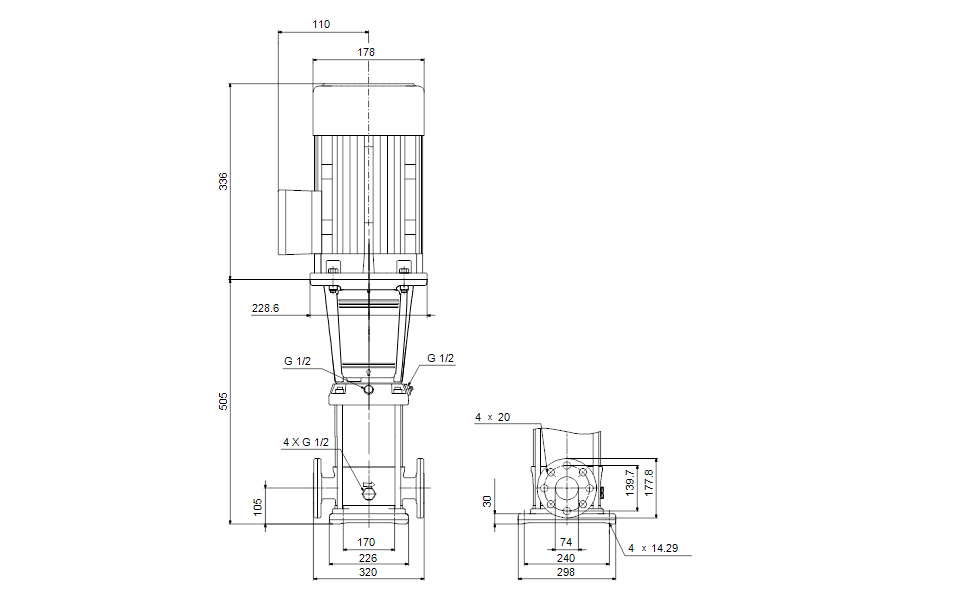
Dimensional Drawing
DWiring Diagram
Recently viewed
Similar Products
You'll Also Love...


















































































