Description
Grundfos 97655622 - CR 32-1-1 H-G50-A-E-HQQE Vertical Multistage Centrifugal Pump
The Grundfos 97655622 - CR 32-1-1 H-G50-A-E-HQQE is a high-performance vertical multistage centrifugal pump designed for a variety of industrial applications. Manufactured by Grundfos, a leader in pump technology, this model ensures reliable operation and efficiency in demanding environments.
This centrifugal pump is ideal for boosting pressure, transferring liquids, and various other applications where consistent performance is crucial. With its robust construction and advanced design, the CR 32-1-1 H-G50-A-E-HQQE is built to last, making it a smart investment for your pumping needs.
At Pump-Stop, we are your preferred source for replacement pumps and parts. If you have questions or need assistance in finding the right pump for your application, please don't hesitate to call us at (781) 281-8905. We recommend checking your current pump for the exact part number or SKU to ensure compatibility.
Explore our extensive range of Grundfos centrifugal pumps, including single and multi-stage options, and discover the perfect solution for your needs.
Motor Curves
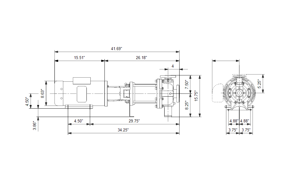
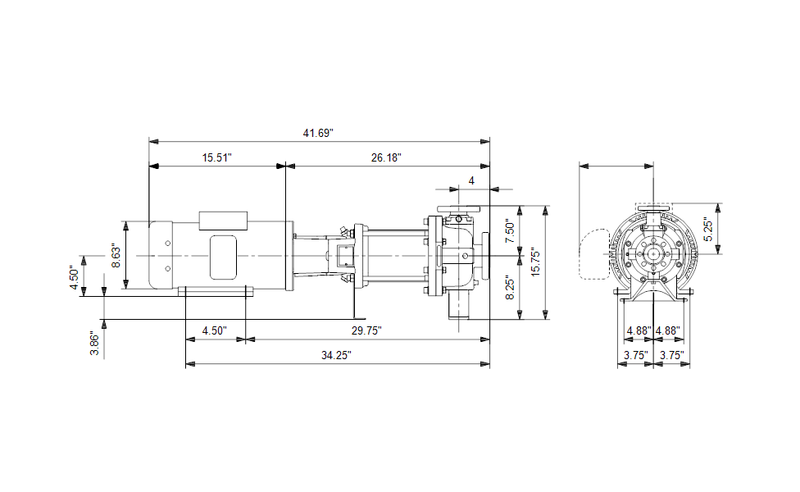
Dimensional Drawing
DWiring Diagram
Recently viewed
Similar Products
You'll Also Love...


























































































































































































