Description
Grundfos 96978034 - CR 3-25 H-GA-A-E-HQQE Vertical Multistage Centrifugal Pump
The Grundfos 96978034 - CR 3-25 H-GA-A-E-HQQE is a high-performance vertical multistage centrifugal pump designed for a variety of industrial applications. Manufactured by Grundfos, this pump is engineered to deliver reliable and efficient performance, making it an ideal choice for boosting pressure in water supply systems, irrigation, and other demanding environments.
This model features a robust construction and advanced design, ensuring durability and longevity. It is part of the CR series, known for its versatility and efficiency in handling various fluids. The CR 3-25 H-GA-A-E-HQQE is suitable for both horizontal and vertical installations, providing flexibility in system design.
At Pump-Stop, we are your preferred source for replacement pumps and parts. If you have questions or need assistance in finding the right pump for your application, please don't hesitate to reach out to our knowledgeable team at (781) 281-8905. We recommend checking your current pump for the exact part number or SKU to ensure compatibility. If you're having trouble locating the right item, our experts are here to help!
Explore our extensive range of Grundfos centrifugal pumps, including single and multi-stage options, and discover the perfect solution for your needs.
Motor Curves
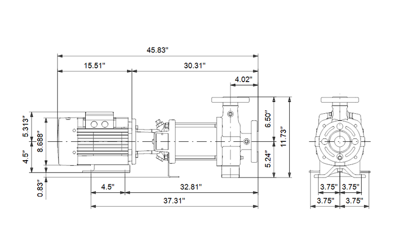
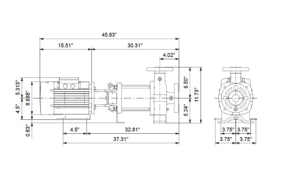
Dimensional Drawing
DWiring Diagram
GRUNDFOS CR-H (Product brochure)
OPTIMIZED INDUSTRIAL SOLUTIONS (Product brochure)
CR-H, CRN-H (Installation and operating instructions)
CR-H, CRN-H (Installation and operating instructions)
CR-H, CRN-H, CRE-H, CRNE-H (Data booklet)
CR1-H (Industrial Service Manual)
CR3-H (Industrial Service Manual)
CR5-H (Industrial Service Manual)
Recently viewed
Similar Products
You'll Also Love...


















































































