Description
Grundfos 97657401 - CR 3-11 H-GA-A-V-HQQV Vertical Multistage Centrifugal Pump
The Grundfos 97657401 - CR 3-11 H-GA-A-V-HQQV is a high-performance vertical multistage centrifugal pump designed for a variety of industrial applications. Manufactured by Grundfos, a leader in pump technology, this model is engineered for efficiency and reliability, making it an ideal choice for boosting pressure in water supply systems, irrigation, and other demanding environments.
This pump features a robust construction and advanced design, ensuring optimal performance and longevity. It is categorized under various types including CR H, CRN, and is suitable for horizontal multistage applications. Please note that this model does not include models 95 through 255.
At Pump-Stop.com, we are your preferred source for replacement pumps and parts. If you have questions or need assistance in finding the right pump for your application, feel free to reach out to our knowledgeable team at (781) 281-8905.
Before purchasing, we recommend checking your current pump for the exact part number or SKU to ensure compatibility. If you encounter any difficulties in locating the right item, don’t hesitate to call us for support.
Motor Curves
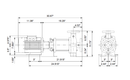
Dimensional Drawing
DWiring Diagram
GRUNDFOS CR-H (Product brochure)
OPTIMIZED INDUSTRIAL SOLUTIONS (Product brochure)
CR-H, CRN-H (Installation and operating instructions)
CR-H, CRN-H (Installation and operating instructions)
CR-H, CRN-H, CRE-H, CRNE-H (Data booklet)
CR1-H (Industrial Service Manual)
CR3-H (Industrial Service Manual)
CR5-H (Industrial Service Manual)
Recently viewed
Similar Products
You'll Also Love...










































































