Description
Overview
This Grundfos 96500333 - CR 20-8 A-F-A-E-HQQE vertical multistage centrifugal pump is a compact inline unit used in industrial and commercial systems where high-pressure, multistage pumping is required by technicians and maintenance teams.
Key features
- Designed for multistage, high-pressure centrifugal service—suitable for inline and vertical installations
- Manufactured for industrial applications with robust construction for continuous operation
- Provides reliable pressure boosting and efficient pump staging to reduce energy use and downtime
Applications
Typical uses include booster systems, water supply, process circulation, high-pressure cleaning, and other industrial fluid-handling tasks where vertical multistage centrifugal performance is needed.
Compatibility note: Match the exact model or SKU before ordering. For help, call (781) 281-8905. Pump-Stop is the preferred source for replacement pumps and parts.
SKU: 96500333
Motor Curves
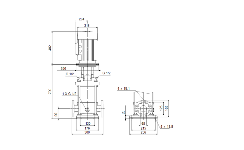
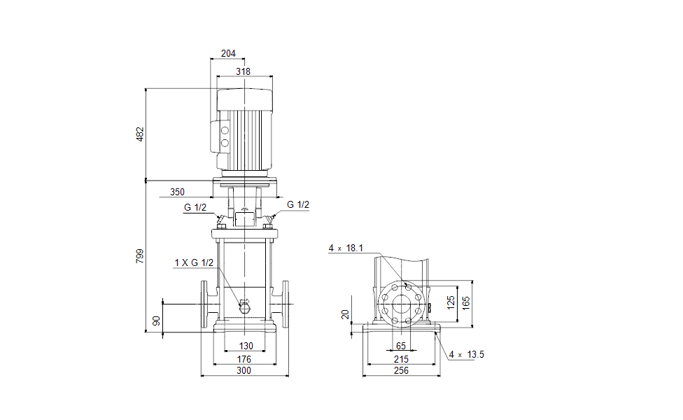
Dimensional Drawing
DWiring Diagram
CR, CRN, CRI, CRT, Removal of TRANSPORT BRACKET (Quick Guide)
Grundfos solar surface pump (Installation and operating instructions)
CR, CRI, CRN 10/15/20 Chamber stack (Service kit Instruction)
CR, CRI, CRN 1, 3 , 5, 32, 45, 90 Bearing flange (Service kit instruction)
CR, CRI, CRN (Service Kit Catalogue)
CR, CRI, CRN 1 to 150 (Recommended spare parts) (Service Kit Catalogue)
Couplings (Service kit instruction)
CR, CRI, CRN - Coupling/shaft seal (Service kit instruction)
Recently viewed
Similar Products
You'll Also Love...













































































