Description
Grundfos 97680332 - CR 20-5 H-GB-A-E-HQQE Vertical Multistage Centrifugal Pump
The Grundfos 97680332 - CR 20-5 H-GB-A-E-HQQE is a high-performance vertical multistage centrifugal pump designed for a variety of industrial applications. Manufactured by Grundfos, this pump is engineered to deliver reliable and efficient performance, making it an ideal choice for boosting pressure in water supply systems, irrigation, and other demanding environments.
This model features a robust construction and advanced design, ensuring durability and longevity. It is part of the CR series, known for its versatility and efficiency in both single and multi-stage configurations. The CR 20-5 H-GB-A-E-HQQE is specifically tagged under various categories including Cr H, Cr H Crn H, Cre H, and Crne H, making it suitable for a wide range of applications.
At Pump-Stop, we are your preferred source for replacement pumps and parts. If you have questions or need assistance in finding the right pump for your application, please don't hesitate to call us at (781) 281-8905. We recommend checking your current pump for the exact part number or SKU that matches to ensure compatibility. If you're having trouble locating the right item, our knowledgeable team is here to help!
Explore our extensive selection of Grundfos centrifugal pumps, including booster pumps, end suction pumps, and horizontal multistage options. Trust in Grundfos for quality and performance in your pumping solutions.
Motor Curves
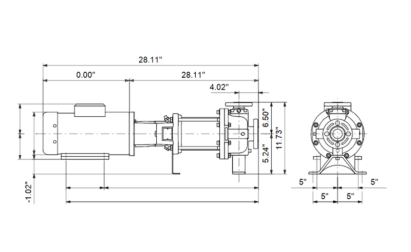
Dimensional Drawing
GRUNDFOS CR-H (Product brochure)
OPTIMIZED INDUSTRIAL SOLUTIONS (Product brochure)
CR-H, CRN-H (Installation and operating instructions)
CR-H, CRN-H (Installation and operating instructions)
CR-H, CRN-H, CRE-H, CRNE-H (Data booklet)
CR1-H (Industrial Service Manual)
CR3-H (Industrial Service Manual)
CR5-H (Industrial Service Manual)
Recently viewed
Similar Products
You'll Also Love...


















































































