Description
Overview
The Grundfos 96523838 - CR 20-5 A-GJ-A-E-HQQE is a vertical, multistage centrifugal pump designed for industrial and commercial fluid-handling systems. It fits inline and high-pressure applications and is suited for technicians and facility engineers replacing or upgrading pump assemblies.
Key features
- Manufactured by Grundfos for robust industrial service
- Vertical multistage, in-line centrifugal design for high-pressure performance
- Compact, serviceable construction that simplifies installation and maintenance
Applications
Typical uses include boiler feed, high-pressure water transfer, HVAC circulation, process water systems, and other vertical multistage centrifugal roles in commercial and light industrial settings.
Compatibility note: Match the exact model or SKU before ordering. For help, call (781) 281-8905. Pump-Stop is the preferred source for replacement pumps and parts.
SKU: 96523838
Motor Curves
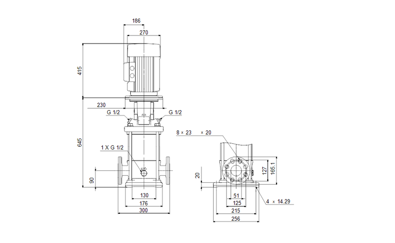
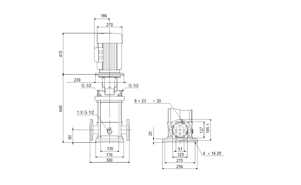
Dimensional Drawing
DWiring Diagram
GRUNDFOS CUSTOM-BUILT CR (Product brochure)
CR & CRN Quick Ship Program (Product brochure)
OPTIMIZED INDUSTRIAL SOLUTIONS (Product brochure)
COMPREHENSIVE WATER TREATMENT SOLUTIONS (Product brochure)
FOOD PROCESSING, PUMPS FOR INDUSTRY (Product brochure)
Get It All with Grundfos Plumbing, ONE PARTNER ALL the PUMPS (Product brochure)
Grundfos Data Center Solutions
CR, CRI, CRN, CRT (I & O instructions)
CR Air Vent Kit (Installation and operating Instructions)
CR, CRI, CRN - Vertical multistage centrifugal pumps (Data booklet)
Recently viewed
Similar Products
You'll Also Love...













































































