Description
Grundfos 97654451 - CR 1S-12 H-GA-A-V-HQQV is a high-performance vertical multistage centrifugal pump designed for a variety of industrial applications. Manufactured by the renowned vendor Grundfos, this pump is engineered for efficiency and reliability, making it an ideal choice for boosting pressure in water supply systems, HVAC applications, and other demanding environments.
This model features a robust construction and advanced design, ensuring optimal performance and longevity. It is part of the CR series, known for its versatility and adaptability in various settings. The CR 1S-12 H-GA-A-V-HQQV is specifically tagged under categories such as Cr H, Cr H Crn H Cre H Crne H, and is suitable for horizontal installations.
At Pump-Stop.com, we pride ourselves on being the preferred source for replacement pumps and parts. If you have questions or need assistance in finding the right pump for your application, please don't hesitate to reach out to our knowledgeable team at (781) 281-8905.
Before purchasing, we recommend checking your current pump for the exact part number or SKU that matches the Grundfos 97654451 to ensure compatibility. If you encounter any difficulties in locating the right item, our team is here to help!
Motor Curves
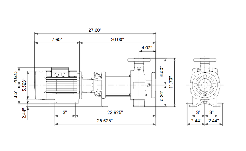
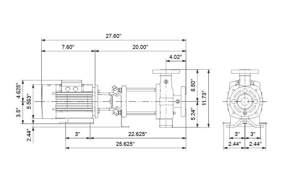
Dimensional Drawing
DWiring Diagram
Recently viewed
Similar Products
You'll Also Love...


























































































































































































