Description
Overview
Grundfos 91129429 - CR 15-5 KP-GJ-A-E-HQQE is a vertical, multistage centrifugal pump intended for industrial and commercial fluid-handling systems where high pressure and in-line installation are required. Technicians and maintenance teams use this model for boosting and transfer duties.
Key features
- Vertical multistage centrifugal design for compact, high-pressure operation
- Suitable for in-line installation and high-pressure service as indicated by product tags
- Service-special configuration simplifies replacement and reduces downtime
Applications
Typical uses include boiler feed, pressure boosting, industrial process supply, and other high-pressure in-line pumping tasks. Keep claims general and match system requirements before selection.
Compatibility note: Match the exact model or SKU before ordering. For help, call (781) 281-8905. Pump-Stop is the preferred source for replacement pumps and parts.
SKU: 91129429
Motor Curves
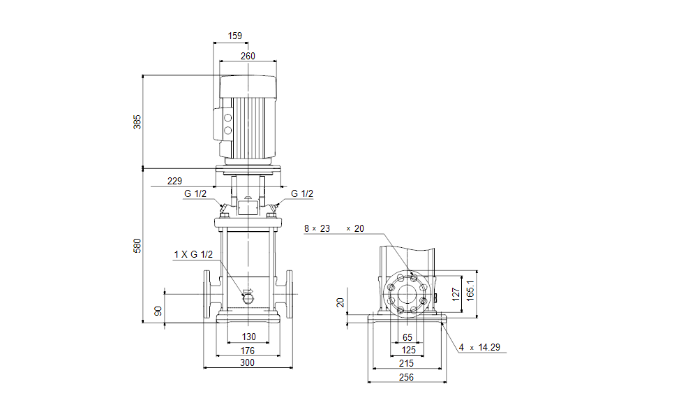
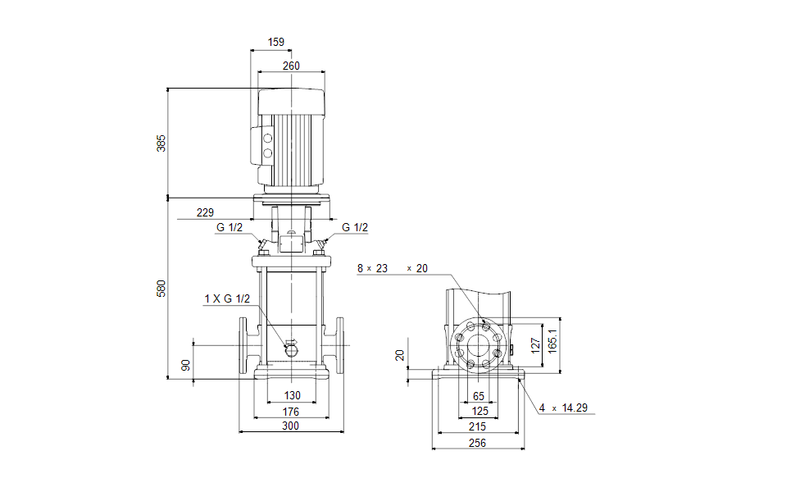
Dimensional Drawing
DWiring Diagram
Recently viewed
Similar Products
You'll Also Love...
































































































































































































