Description
Grundfos 97680263 - CR 15-4 H-GB-A-E-HQQE is a high-performance vertical multistage centrifugal pump designed for a variety of industrial applications. Manufactured by the renowned vendor Grundfos, this pump is engineered for efficiency and reliability, making it an ideal choice for boosting pressure in water supply systems, HVAC applications, and other demanding environments.
This model features a robust construction and advanced design, ensuring optimal performance and longevity. It is part of the CR series, known for its versatility and adaptability in various settings. The CR 15-4 H-GB-A-E-HQQE is specifically tagged under Cr H, Cr H Crn H Cre H Crne H, and is suitable for horizontal installations. Please note that this model does not include models 95 through 255.
At Pump-Stop.com, we pride ourselves on being the preferred source for replacement pumps and parts. If you have questions or need assistance in finding the right pump for your application, feel free to call us at (781) 281-8905. We recommend checking your current pump for the exact part number or SKU that matches to ensure compatibility. If you encounter any difficulties, our knowledgeable team is here to help you find the perfect solution.
Explore our extensive range of Grundfos Centrifugal Pumps, including single and multi-stage options, and shop by type such as booster, centrifugal, end suction, horizontal multistage, and more. Trust Grundfos for quality and performance in your pumping needs.
Motor Curves
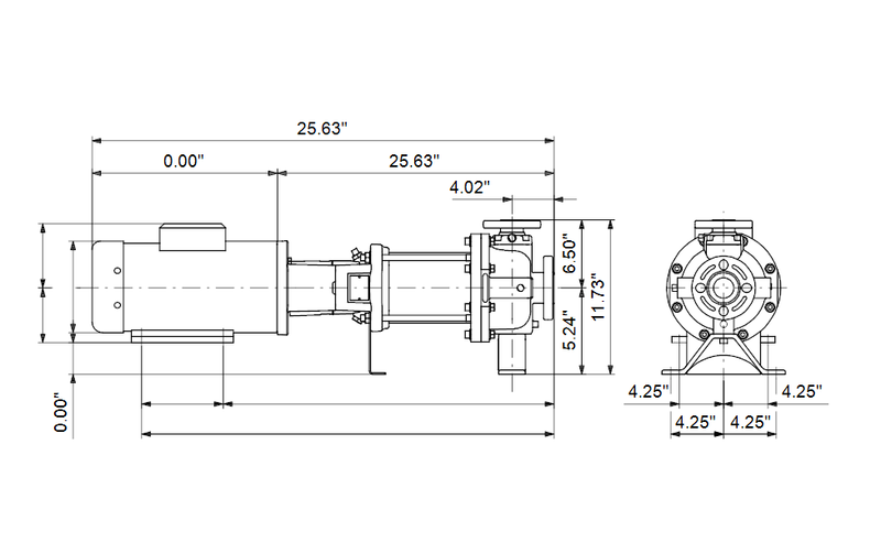
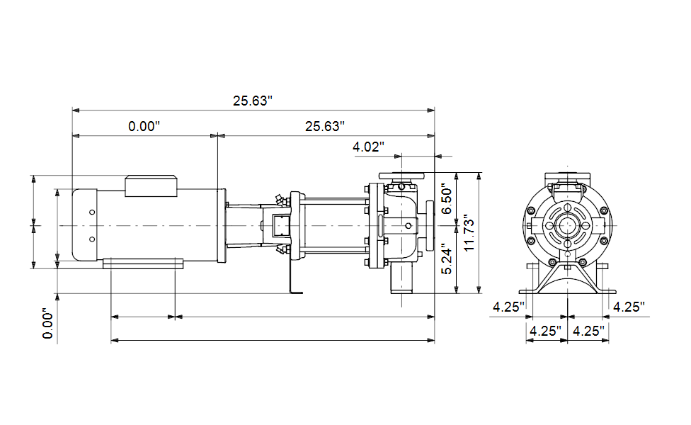
Dimensional Drawing
Recently viewed
Similar Products
You'll Also Love...


















































































