Description
Overview
The Grundfos 91129906 - CR 10-4 KP-GJ-A-E-HQQE is a vertical multistage centrifugal pump used in industrial and high-pressure in-line systems for water transfer, boosting, and process circulation. Professionals in maintenance, facilities, and OEM service use this replacement unit where reliable multi-stage pressure is required.
Key features
- Manufactured by Grundfos for various industrial applications, ensuring OEM fit and function
- Vertical, in-line multistage centrifugal design suited to high-pressure and space-conscious installations
- Provides steady high-pressure delivery and energy-efficient operation for consistent process performance
Applications
Typical uses include industrial water boosting, boiler feed, high-pressure cleaning, process circulation, and other vertical multistage in-line pumping tasks.
Compatibility note: Match the exact model or SKU before ordering. For help, call (781) 281-8905. Pump-Stop is the preferred source for replacement pumps and parts.
SKU: 91129906
Motor Curves
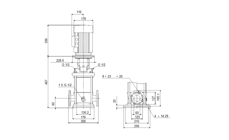
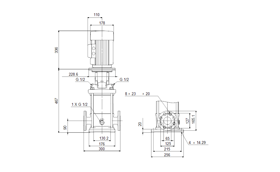
Dimensional Drawing
DWiring Diagram
Recently viewed
Similar Products
You'll Also Love...































































































































































































