Description
Grundfos 97533323 - CR 1-2 H-GA-A-E-HQQE Vertical Multistage Centrifugal Pump
The Grundfos 97533323 - CR 1-2 H-GA-A-E-HQQE is a high-performance vertical multistage centrifugal pump designed for a variety of industrial applications. Manufactured by Grundfos, a leader in pump technology, this model is engineered for efficiency and reliability, making it an ideal choice for boosting pressure and transferring fluids in demanding environments.
This pump is part of the CR series, known for its robust construction and versatility. It is suitable for various applications, including water supply, irrigation, and industrial processes. The CR 1-2 model features a compact design, allowing for easy installation in tight spaces while delivering exceptional performance.
At Pump-Stop.com, we are your preferred source for replacement pumps and parts. If you have questions or need assistance in finding the right pump for your application, please don't hesitate to reach out to our knowledgeable team at (781) 281-8905.
Before purchasing, we recommend checking your current pump for the exact part number or SKU to ensure compatibility. If you encounter any difficulties in locating the right item, our team is here to help you find the perfect solution.
Motor Curves
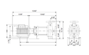
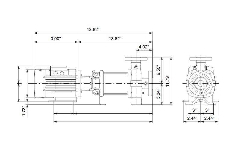
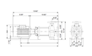
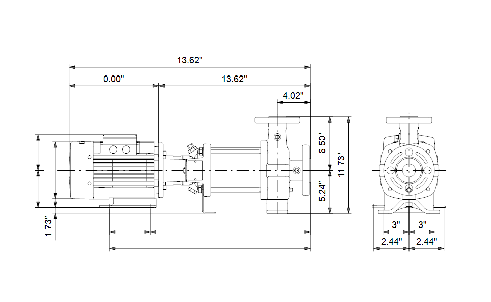
Dimensional Drawing
GRUNDFOS CR-H (Product brochure)
OPTIMIZED INDUSTRIAL SOLUTIONS (Product brochure)
CR-H, CRN-H (Installation and operating instructions)
CR-H, CRN-H (Installation and operating instructions)
CR-H, CRN-H, CRE-H, CRNE-H (Data booklet)
CR1-H (Industrial Service Manual)
CR3-H (Industrial Service Manual)
CR5-H (Industrial Service Manual)
Recently viewed
Similar Products
You'll Also Love...


















































































