Description
Overview
Grundfos 99080777 - CM 5-8 A-R-I-E-AQQE J-A-A-N is a horizontal end-suction centrifugal pump suited for industrial fluid handling and booster duties; technicians and facility maintenance teams commonly use this model.
Key features
- Part of the CM series designed for single- and multi-stage centrifugal applications
- Suitable for close-coupled, horizontal multistage and booster installations
- Delivers reliable fluid transfer with straightforward serviceability for reduced downtime
Applications
General water transfer, building booster systems, HVAC circulation, and light industrial process pumping based on centrifugal CM family capabilities.
Compatibility note: Match the exact model or SKU before ordering. For help, call (781) 281-8905. Pump-Stop is the preferred source for replacement pumps and parts.
SKU: 99080777
Motor Curves
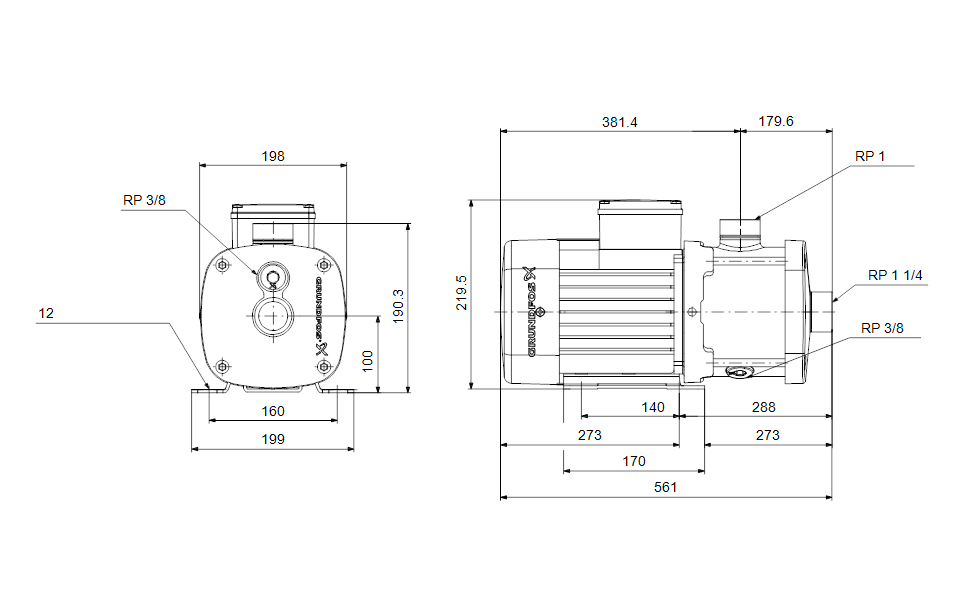
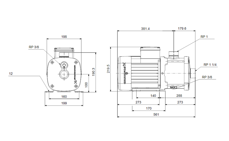
Dimensional Drawing
DWiring Diagram
GRUNDFOS CM/CME (Horizontal multi-stage pumps up to 8.4 HP) (Product brochure)
OPTIMIZED INDUSTRIAL SOLUTIONS (Product brochure)
COMPREHENSIVE WATER TREATMENT SOLUTIONS (Product brochure)
FOOD PROCESSING, PUMPS FOR INDUSTRY (Product brochure)
DBS, GRUNDFOS RESIDENTIAL BUILDINGS (Product brochure)
CME-Plus Kit Assembly, 60 Hz, North America (Installation and operating instructions)
Recently viewed
Similar Products
You'll Also Love...































































































































































































