Description
Overview
Grundfos 98922975 - CM 5-6 A-R-I-E-AQQE O-A-A-N is a horizontal end-suction centrifugal pump suited for industrial and commercial fluid handling; technicians and plant operators use this model where reliable boosting and transfer are required.
Key features
- Suitable for centrifugal pump applications and multistage systems
- Horizontal, close-coupled end-suction orientation for space-efficient installation
- Compact design offers straightforward installation and easier maintenance
Applications
Typical uses include booster systems, process water transfer, HVAC circulation, and general industrial liquid handling where a horizontal centrifugal pump is appropriate.
Compatibility note: Match the exact model or SKU before ordering. For help, call (781) 281-8905. Pump-Stop is the preferred source for replacement pumps and parts.
SKU: 98922975
Motor Curves
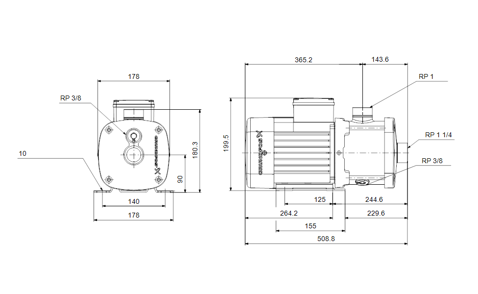
Dimensional Drawing
DWiring Diagram
GRUNDFOS CM/CME (Horizontal multi-stage pumps up to 8.4 HP) (Product brochure)
OPTIMIZED INDUSTRIAL SOLUTIONS (Product brochure)
COMPREHENSIVE WATER TREATMENT SOLUTIONS (Product brochure)
FOOD PROCESSING, PUMPS FOR INDUSTRY (Product brochure)
DBS, GRUNDFOS RESIDENTIAL BUILDINGS (Product brochure)
CME-Plus Kit Assembly, 60 Hz, North America (Installation and operating instructions)
Recently viewed
Similar Products
You'll Also Love...






























































































































































































