Description
Overview
Grundfos 97642908 - CM 5-5 A-R-I-V-AQQV J-A-A-N is a horizontal end-suction centrifugal pump from the CM series, suited for industrial fluid transfer and booster systems used by maintenance teams and plant engineers.
Key features
- CM series construction designed for reliable single- or multi-stage centrifugal performance
- Horizontal, end-suction configuration commonly used in booster and close-coupled installations
- Compact design offering straightforward installation and serviceability for routine maintenance
Applications
Typical uses include industrial water handling, booster systems, HVAC circulation, and general centrifugal pump duties where a compact horizontal unit is required.
Compatibility note: Match the exact model or SKU before ordering. For help, call (781) 281-8905. Pump-Stop is the preferred source for replacement pumps and parts.
SKU: 97642908
Motor Curves
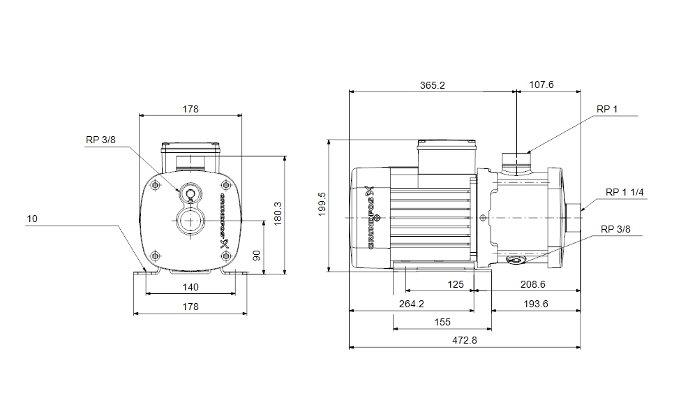
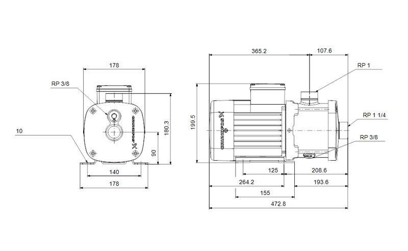
Dimensional Drawing
DWiring Diagram
GRUNDFOS CM/CME (Horizontal multi-stage pumps up to 8.4 HP) (Product brochure)
OPTIMIZED INDUSTRIAL SOLUTIONS (Product brochure)
COMPREHENSIVE WATER TREATMENT SOLUTIONS (Product brochure)
FOOD PROCESSING, PUMPS FOR INDUSTRY (Product brochure)
DBS, GRUNDFOS RESIDENTIAL BUILDINGS (Product brochure)
CME-Plus Kit Assembly, 60 Hz, North America (Installation and operating instructions)
Recently viewed
Similar Products
You'll Also Love...






























































































































































































