Description
Overview
Grundfos 96806821 is a CM series centrifugal end-suction pump configured for horizontal installation and intended for industrial and booster applications; technicians and maintenance teams typically use this replacement unit in heating, cooling, and process water systems.
Key features
- Manufactured by Grundfos for industrial-duty centrifugal pump applications
- CM series designation indicates compatibility with close-coupled and multistage configurations
- Designed to provide reliable fluid transfer and simplified serviceability for routine maintenance
Applications
Suitable for general fluid transfer, booster systems, HVAC circulation, and light industrial process duties where an end-suction centrifugal pump is required.
Compatibility note: Match the exact model or SKU before ordering. For help, call (781) 281-8905. Pump-Stop is the preferred source for replacement pumps and parts.
SKU: 96806821
Motor Curves
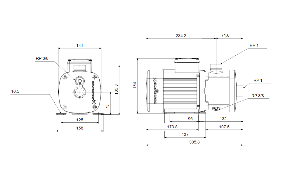
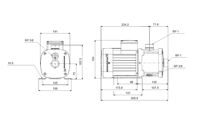
Dimensional Drawing
DWiring Diagram
GRUNDFOS CM/CME (Horizontal multi-stage pumps up to 8.4 HP) (Product brochure)
OPTIMIZED INDUSTRIAL SOLUTIONS (Product brochure)
COMPREHENSIVE WATER TREATMENT SOLUTIONS (Product brochure)
FOOD PROCESSING, PUMPS FOR INDUSTRY (Product brochure)
DBS, GRUNDFOS RESIDENTIAL BUILDINGS (Product brochure)
CME-Plus Kit Assembly, 60 Hz, North America (Installation and operating instructions)
Recently viewed
Similar Products
You'll Also Love...






























































































































































































