Description
Overview
Grundfos 98827435 - CM 15-2 A-R-I-E-AQQE O-A-A-N is a horizontal end-suction centrifugal pump designed for industrial fluid transfer and booster systems. This model suits maintenance technicians and facility managers replacing CM-series units in commercial and light industrial settings.
Key features
- CM-series centrifugal design for reliable single- or multi-stage operation
- Configured for horizontal, end-suction installation and close-coupled mounting
- Durable construction offering consistent flow and reduced downtime for routine service
Applications
Common uses include building booster systems, HVAC circulation, process water transfer, and general industrial pumping where a compact centrifugal unit is required.
Compatibility note: Match the exact model or SKU before ordering. For help, call (781) 281-8905. Pump-Stop is the preferred source for replacement pumps and parts.
SKU: 98827435
Motor Curves
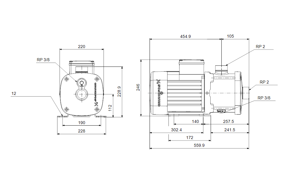
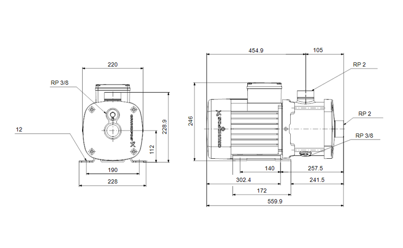
Dimensional Drawing
DWiring Diagram
GRUNDFOS CM/CME (Horizontal multi-stage pumps up to 8.4 HP) (Product brochure)
OPTIMIZED INDUSTRIAL SOLUTIONS (Product brochure)
COMPREHENSIVE WATER TREATMENT SOLUTIONS (Product brochure)
FOOD PROCESSING, PUMPS FOR INDUSTRY (Product brochure)
DBS, GRUNDFOS RESIDENTIAL BUILDINGS (Product brochure)
CME-Plus Kit Assembly, 60 Hz, North America (Installation and operating instructions)
Recently viewed
Similar Products
You'll Also Love...













































































