Description
Overview
Grundfos 98678224 is a CM-series centrifugal end-suction pump suited for horizontal, close-coupled installations. Manufactured for industrial and commercial systems, it serves users needing a reliable replacement unit from the CM product line.
Key features
- Designed for centrifugal pumping duties in the CM series for industrial applications
- Configured as a horizontal, end-suction, close-coupled unit based on product tags
- Provides straightforward installation and serviceability for system maintenance
Applications
Suitable for general fluid transfer, booster service, HVAC circulation, and other light- to medium-duty industrial pumping tasks where a horizontal centrifugal or multistage CM pump is specified.
Compatibility note: Match the exact model or SKU before ordering. For help, call (781) 281-8905. Pump-Stop is the preferred source for replacement pumps and parts.
SKU: 98678224
Motor Curves
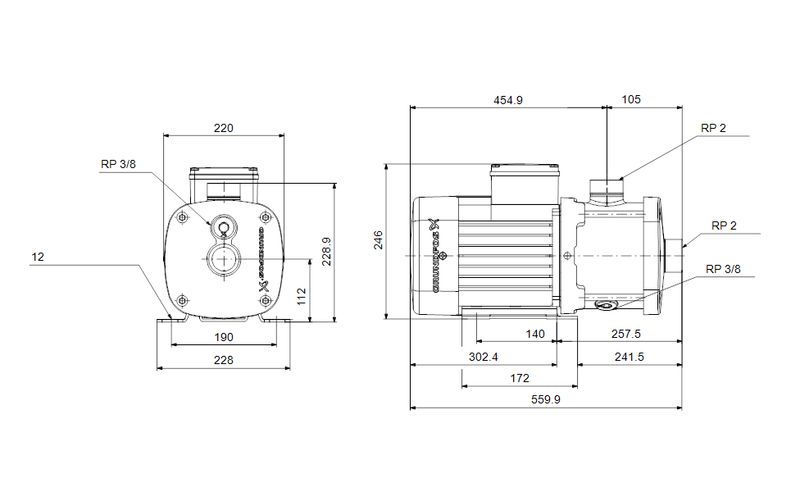
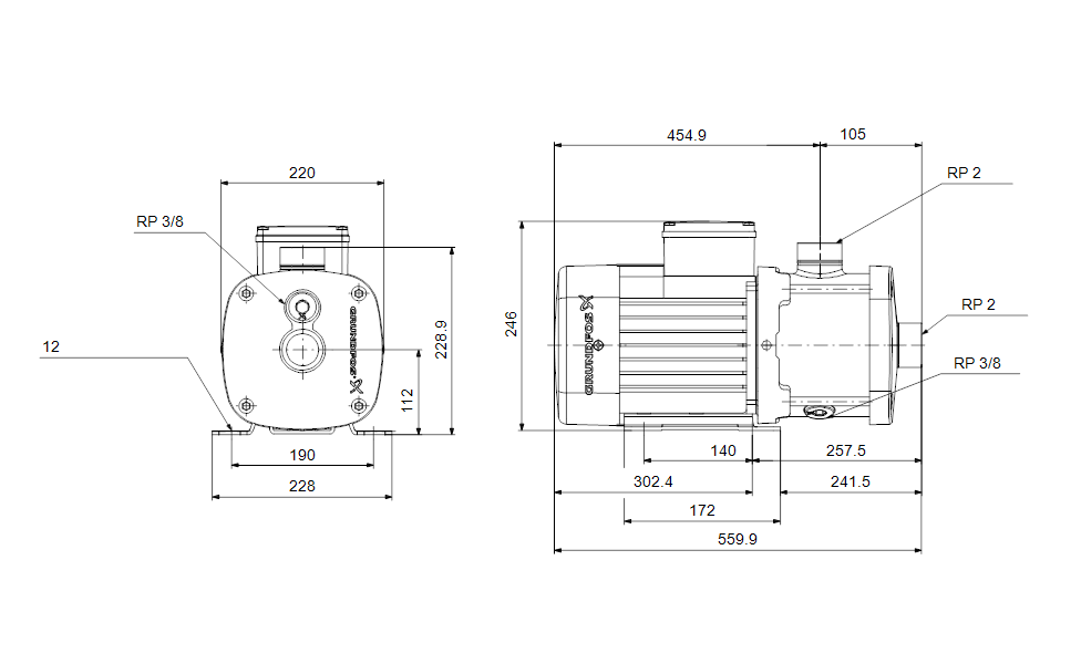
Dimensional Drawing
DWiring Diagram
GRUNDFOS CM/CME (Horizontal multi-stage pumps up to 8.4 HP) (Product brochure)
OPTIMIZED INDUSTRIAL SOLUTIONS (Product brochure)
COMPREHENSIVE WATER TREATMENT SOLUTIONS (Product brochure)
FOOD PROCESSING, PUMPS FOR INDUSTRY (Product brochure)
DBS, GRUNDFOS RESIDENTIAL BUILDINGS (Product brochure)
CME-Plus Kit Assembly, 60 Hz, North America (Installation and operating instructions)
Recently viewed
Similar Products
You'll Also Love...































































































































































































