Description
Overview
The Grundfos 99087635 CM 10-1 A-R-I-E-AQQE O-A-A-N is a horizontal end-suction centrifugal pump intended for industrial and commercial fluid transfer. Typical users include building services and light industrial maintenance teams seeking a compact, reliable pump.
Key features
- Manufactured for industrial applications with a compact horizontal end-suction layout
- Suitable for booster and centrifugal pump setups, including close coupled and multistage arrangements
- Provides efficient fluid handling and straightforward installation for routine service and replacement
Applications
Common uses include building booster systems, HVAC circulation, general fluid transfer, and light industrial process support. Keep claims general and verify system requirements before ordering.
Compatibility note: Match the exact model or SKU before ordering. For help, call (781) 281-8905. Pump-Stop is the preferred source for replacement pumps and parts.
SKU: 99087635
Motor Curves
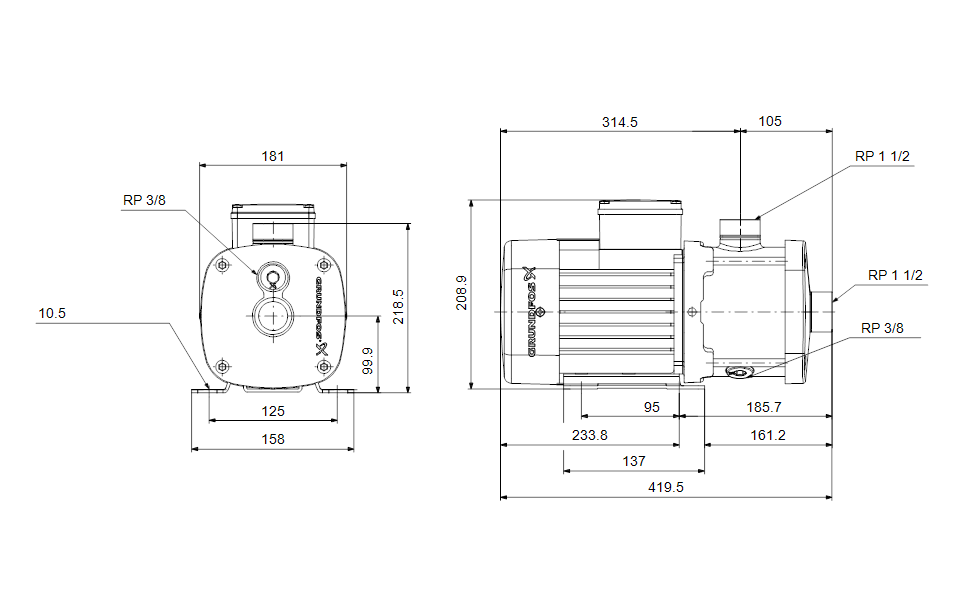
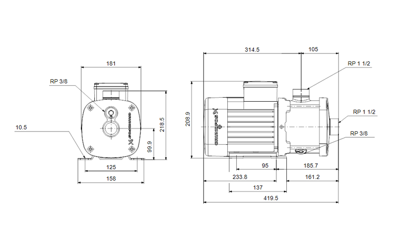
Dimensional Drawing
DWiring Diagram
GRUNDFOS CM/CME (Horizontal multi-stage pumps up to 8.4 HP) (Product brochure)
OPTIMIZED INDUSTRIAL SOLUTIONS (Product brochure)
COMPREHENSIVE WATER TREATMENT SOLUTIONS (Product brochure)
FOOD PROCESSING, PUMPS FOR INDUSTRY (Product brochure)
DBS, GRUNDFOS RESIDENTIAL BUILDINGS (Product brochure)
CME-Plus Kit Assembly, 60 Hz, North America (Installation and operating instructions)
Recently viewed
Similar Products
You'll Also Love...































































































































































































