Description
CM 1-3 A-S-I-V-AQQV H-A-A-N Compact, reliable, horizontal, multistage, end-suction centrifugal pump with axial suction port and radial discharge port. Pump materials in contact with the liquid are in stainless steel. The mechanical shaft seal is a special designed, unbalanced O-ring seal. Pipework connection is via internal NPT pipe threads. The pump is fitted with a 3-phase, foot-mounted, fan-cooled asynchronous motor.
Motor Curves
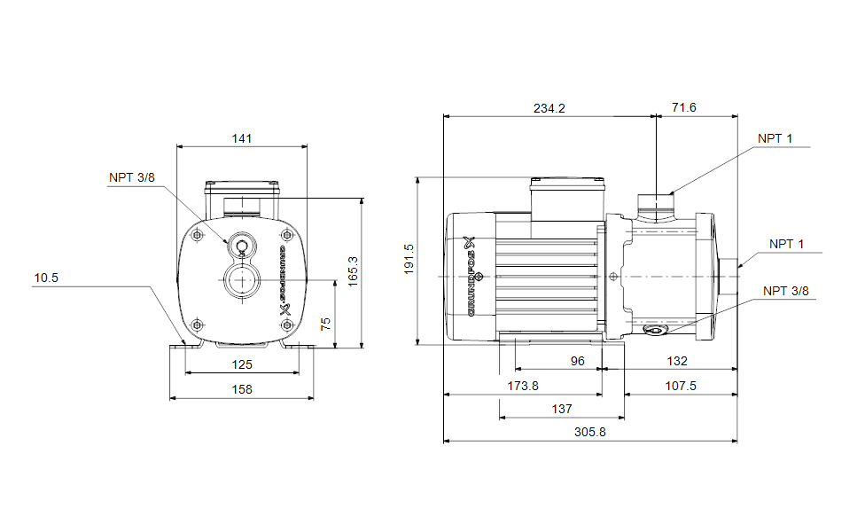
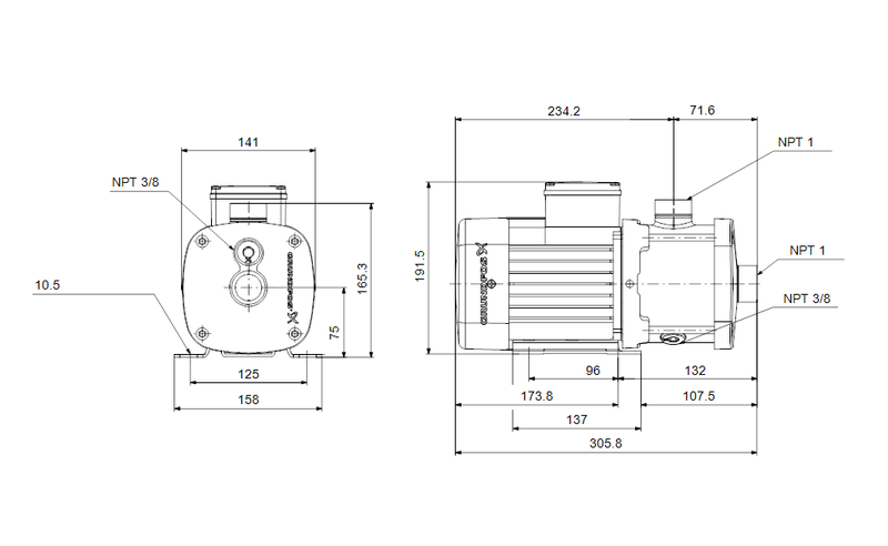
Dimensional Drawing
DWiring Diagram
GRUNDFOS CM/CME (Horizontal multi-stage pumps up to 8.4 HP) (Product brochure)
OPTIMIZED INDUSTRIAL SOLUTIONS (Product brochure)
COMPREHENSIVE WATER TREATMENT SOLUTIONS (Product brochure)
FOOD PROCESSING, PUMPS FOR INDUSTRY (Product brochure)
DBS, GRUNDFOS RESIDENTIAL BUILDINGS (Product brochure)
CME-Plus Kit Assembly, 60 Hz, North America (Installation and operating instructions)
Recently viewed
Similar Products
You'll Also Love...




























































































































































































